Operation CHARM: Car repair manuals for everyone.
Manuals through 2025 now available!

Our trusted friends have launched a new website named LEMON, which has newer manuals. It also contains all the CHARM manuals.

LEMON is the spiritual successor to CHARM, I recommend you try it!

Link: lemon-manuals.la or lemon-manuals.org.ua

(Some people have issue connecting. LEMON is investigating. For now, use Firefox or change your DNS server)

Or, hide this message: temporarily or permanently

System Specifications



Part 1 Of 2:




Part 2 Of 2:





Engine data





Tightening Torques

Bolts, nuts
M6 10 Nm
M7 15 Nm
M8 25 Nm
M10 40 Nm
M12 60 Nm
deviating from above
Engine to transmission connecting bolts M10 45 Nm
Engine to transmission connecting bolts M12 80 Nm

Torque Sequence:





Cylinder head Torque bolts, tightening sequence
Pretighten all bolts to 40 Nm
Tighten all bolts 1/4 turn (90°) further with a rigid wrench.
Tighten all bolts again 1/4 turn (90°) further.

Camshaft Bearing caps
Tighten bearing caps 2 and 4 alternately and diagonally to 20 Nm
Install bearing caps 3, 1 and 5 and also tighten to 20 Nm.

Crankshaft toothed belt pulley Tighten new center bolt to 90 Nm plus 90° (1/4 turn) further





Oil pump with balancer shaft gear assembly
Tighten securing bolts (starting on inside and working outward) to 15 Nm + 1/4 turn (90°) further,





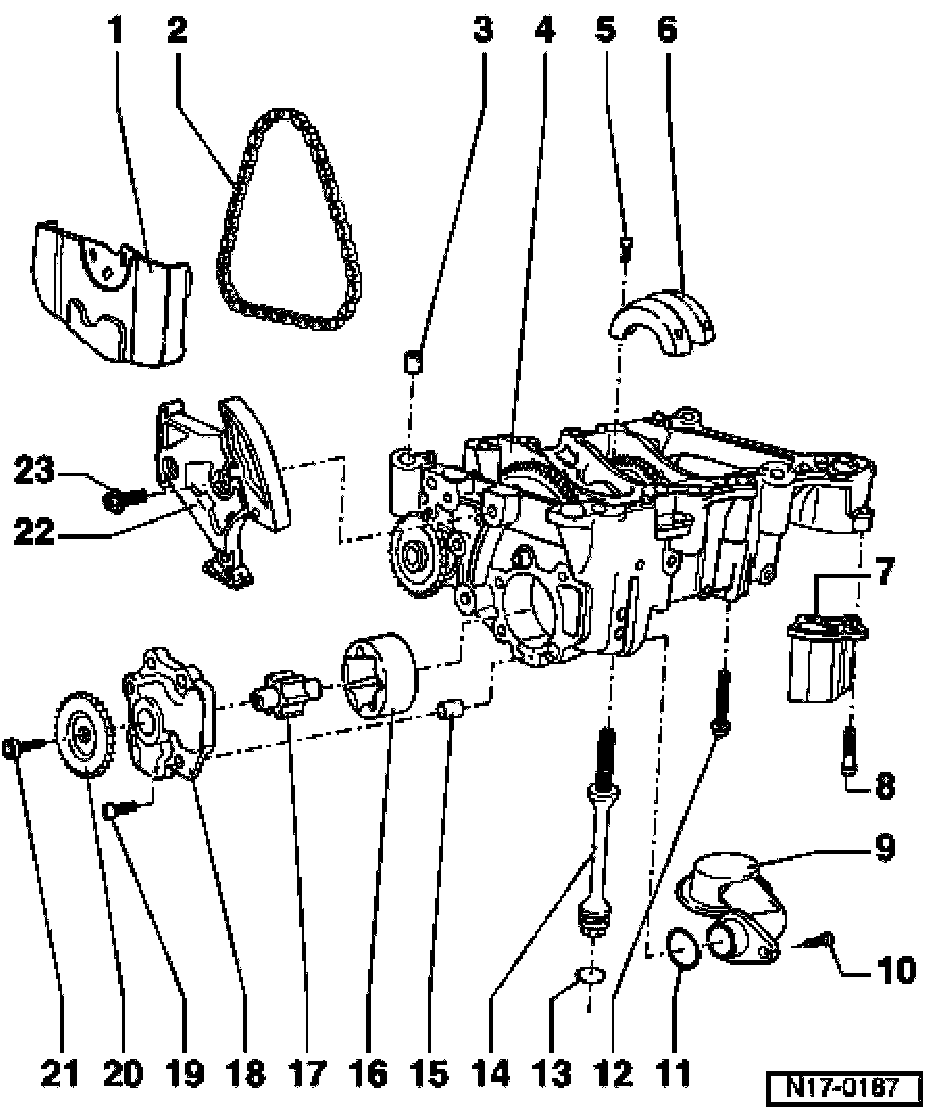
1- Chain guard
2- Chain
^ Mark direction of rotation before removing (installation position)
3- Dowel sleeves
4- Oil pump with balancer shaft gear assembly
^ Before installing, check that both dowel sleeves for centralizing are fitted
5- 3 Nm
^ Insert with locking compound D 000 600 A2
6- Cover
^ Prevents engine oil foaming
7- Oil return union
^ With seal/gasket
8- 9 Nm
9- Suction line
^ Clean strainer if soiled
10- 8 Nm
11- O-ring
^ Replace
12- 15 Nm + 1/4 turn (90°) further
^ Observe different lengths of bolts,
13- O-ring
^ Replace
14- Sealing plug
^ 15 Nm + 1/4 turn (90°) further
15- Dowel sleeves
16 Outer rotor
^ Check running surfaces for scoring
^ Marking(s) must be visible
17- Inner rotor
^ Check running surfaces for scoring
18- Oil pump cover
19- 8 Nm
20- Chain sprocket
21- 20 Nm
22- Chain tensioner with tensioning plate
23- 15 Nm


Coolant pump bolt 15 Nm

Crankshaft Bearing Bolt 90° (1/4 turn) further
For any other information regarding Bearing caps Refer to Crankshaft, Engine, Crankshaft

Connecting Rod Bolt 30 Nm 1/4 turn (90°) further
Drive Plate Tighten bolts to 60 Nm and 90° (1/4 turn) further (turning further can be done in several stages).

Vibration damper/belt pulley torque 25 Nm



Assembly mountings
Torque settings








^ Engine mounting
1 - Mounting to body 1) 40 Nm + 90° (1/4 turn)
2 - Mounting/bracket to body 25 Nm
3 - Mounting to engine mounting 100 Nm
1) Replace bolts








^ Transmission mounting
1 - Mounting to body 1) 40 Nm + 90° (1/4 turn)
2 - Mounting to body 25 Nm
3 - Mounting transmission console 100 Nm
1) Replace bolts








^ Pendulum support
1 - Pendulum support to transmission 1) 40 Nm + 90° (1/4 turn)
2 - Pendulum support to transmission 1) 40 Nm + 90° (1/4 turn)
3 - Pendulum support to subframe 1) 20 Nm + 90° (1/4 turn)
1) Replace bolts