Operation CHARM: Car repair manuals for everyone.
Manuals through 2025 now available!

Our trusted friends have launched a new website named LEMON, which has newer manuals. It also contains all the CHARM manuals.

LEMON is the spiritual successor to CHARM, I recommend you try it!

Link: lemon-manuals.la or lemon-manuals.org.ua

(Some people have issue connecting. LEMON is investigating. For now, use Firefox or change your DNS server)

Or, hide this message: temporarily or permanently

Suction Jet Pump, Checking



Suction Jet Pump, Removing, Installing, And Checking

Function
On vehicles with all wheel drive the shape of the fuel tank dictates that a suction jet pump is required to pump fuel to the fuel delivery unit from the area of Fuel level sensor 2 - G169 - Item - 23 -. A second suction jet pump ensures the delivery unit in the reservoir is supplied with fuel. These suction pumps function according to a principle of physics using the return flow of fuel via a junction with the pressure limiting valve.


NOTE: A check is only necessary if the engine stops due to lack of fuel.


Special tools, testers and auxiliary items required







- Wrench for fuel tank sender 3087







- Torque wrench (40..0.200 Nm) V.A.G1332


Conditions
- Sender for fuel gauge -G-, Fuel level sensor 2 -G169- and Fuel supply sensor 3 -G237- O.K.
- Fuel tank must have been drained.

Work sequence


NOTE:
- Empty fuel tank using fuel suction unit VAS5190 if necessary.
- Observe safety measures before performing repair work.


CAUTION: Fuel supply lines are under pressure. Before removing from hose connection wrap a cloth around the connection. Then release pressure by carefully pulling hose off connection.


- Turn ignition and all electrical consumers off and remove ignition key.
- With ignition switched off disconnect battery ground strap.
- Remove fuel delivery unit.







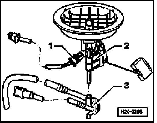
- Disconnect 2-pin connector from Fuel level sensor 2 -G169 - (left side of vehicle), open sealing ring with wrench 3087 and carefully lift sensor.







- Disconnect connector - 1 - under fuel level sensor 2 cover - 2 -.
- Lift fuel gauge sensor 2 - 2 - and pull suction jet pump - 3 - down out of sensor locking device.
- Take out fuel gauge sensor 2.







- Remove hose/line to suction jet pump- 2 - from junction - 1 - and disconnect connector - 3 - from Fuel gauge sender -G- to Fuel level sensor 2 -G169-, right side of vehicle (fuel delivery unit).
- Pull suction jet pump out from fuel level sensor 2 side (left side of vehicle).
- Check that fuel hoses/lines on suction jet pump are installed securely and are not damaged.
- Additionally check suction jet pump for contamination/dirt if necessary.

If no malfunctions are found:
- Install suction jet pump and fuel level sensor 2 again in reverse order.


NOTE: In other work sequences the return supply line/hose must be pulled off the junction. When doing this ensure that all O-rings are replaced.


Check junction with pressure relief valve as follows:







- Pull off connections for return - 2 -, connections - 3 -and - 4 - for suction jet pump on junction with pressure relief valve - 1 -.
- Unclip junction which is secured on reservoir.
- Use a test hose and blow into connection, from direction of fuel return - 2. There must be through-flow in directions - 3 - and - 4 -.
- Hold connections - 3 - and - 4 - closed. Pressure relief valve must open under slight opposing pressure.

If no opposing pressure can be determined or the pressure relief valve does not open:
- Replace junction with pressure relief valve.