Operation CHARM: Car repair manuals for everyone.
Manuals through 2025 now available!

Our trusted friends have launched a new website named LEMON, which has newer manuals. It also contains all the CHARM manuals.

LEMON is the spiritual successor to CHARM, I recommend you try it!

Link: lemon-manuals.la or lemon-manuals.org.ua

(Some people have issue connecting. LEMON is investigating. For now, use Firefox or change your DNS server)

Or, hide this message: temporarily or permanently

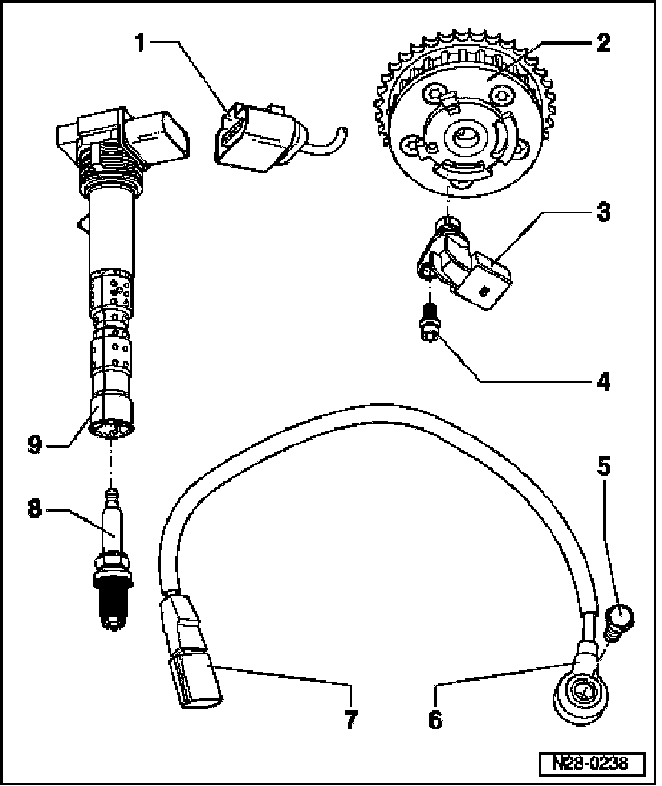
Ignition System Components, Removing and Installing



Parts of ignition, removing and installing


NOTE:
- Cylinder bank 1 is located on right side in direction of travel.
- Cylinder bank 2 is located on left side in direction of travel.
- Disassembling and assembling control housing Fig. 1.







1 Connector
- Black, 4-pin
- before disconnecting, mark allocation of connector to component
2 Face plate
- for Camshaft Position (CMP) sensor
3 Camshaft Position (CMP) sensor*
- before disconnecting, mark allocation of connector to component
- Terminals of sensor and connector are gold-plated
Cylinder bank 1
- Camshaft Position (CMP) Sensor -G40-= bank 1 intake camshaft
- Camshaft Position (CMP) Sensor 2 -G163-= bank 1 exhaust camshaft
Cylinder bank 2
- Camshaft Position (CMP) Sensor 3 -G300-= bank 2 intake camshaft
- Camshaft Position (CMP) Sensor 4 -G301-= bank 2 exhaust camshaft
4 10 Nm
5 20 Nm
- Tightening torque affects function of Knock Sensor (KS)
6 Knock sensors*
- contact surfaces between knock sensor and cylinder block must be free of corrosion, dirt and grease
Component locations:
- Knock Sensor (KS) 1 -G61-, black Fig. 2
- Knock Sensor (KS) 2 -G66-, brown Fig. 2
- Knock sensor 3 -G198-, orange Fig. 3
- Knock sensor 4 -G199-, gray Fig. 4
7 3-pin harness connector
- Terminals are gold-plated Black for Knock Sensor (KS) 1 -G61-
- Brown for Knock Sensor (KS) 2 -G66-
- orange for Knock sensor 3 -G198-
- gray for Knock sensor 4 -G199-
8 Spark plug, 30 Nm
- Type and spark plug gap, test data, spark plugs
9 Ignition Coil 1 with Power Output Stage -N70-, Ignition Coil 2 with Power Output Stage -N127-, Ignition Coil 3 with Power Output Stage -N291-, Ignition Coil 4 with Power Output Stage -N292-, Ignition Coil 5 with Power Output Stage -N323- to Ignition Coil 8 with Power Output Stage -N326-)*

Fig. 1 Control housing, disassembling and assembling







- Removing and installing control housing.
- Check valves for camshaft adjustment.

Cylinder bank 1

1 Valve -1- for camshaft adjustment -N205-
2 Camshaft Adjustment Valve 1 (exhaust) -N318-
3 Glide track: clipped in at control housing
4 Control housing
5 8 Nm

Cylinder bank 2
1 Camshaft Adjustment Valve 2 (exhaust) -N319-
2 Valve -2- for camshaft adjustment -N208-
3 Glide track: clipped in at control housing
4 Control housing
5 8 Nm

Fig. 2 Knock sensors 1 and 2 cylinder bank 1







1 Knock Sensor (KS) 1 -G61-:
for cylinder 1 and 2
2 Knock Sensor (KS) 2 -G66-, brown:
for cylinder 3 and 4


NOTE: Console for generator -3- (generator removed).


Fig. 3 Knock sensor 3 cylinder bank 2







1 Knock sensor 3 -G198-, orange:
for cylinder 5 and 6

Fig. 4 Knock sensor 4 cylinder bank 2







1 Knock sensor 4 -G199-, gray:
for cylinder 7 and 8


NOTE: Console for A/C compressor -2- (compressor removed).