Operation CHARM: Car repair manuals for everyone.
Manuals through 2025 now available!

Our trusted friends have launched a new website named LEMON, which has newer manuals. It also contains all the CHARM manuals.

LEMON is the spiritual successor to CHARM, I recommend you try it!

Link: lemon-manuals.la or lemon-manuals.org.ua

(Some people have issue connecting. LEMON is investigating. For now, use Firefox or change your DNS server)

Or, hide this message: temporarily or permanently

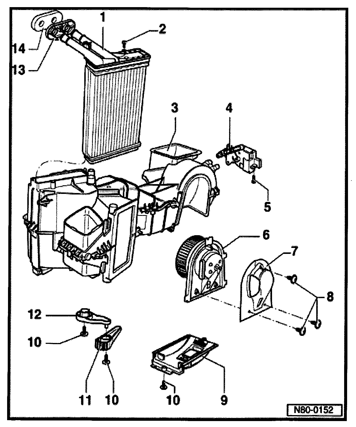
Heating and Ventilation Unit, Assembly Overview



Heating And Ventilation Unit, Assembly






1 - Heater core
- Always replace coolant after removal/replacement
- Replacing:
- Remove instrument panel.
- Loosen instrument panel cross member.
- Carefully pinch off both coolant hoses to heater core and disconnect hoses.
- Seal off heater core to prevent coolant from running out

CAUTION!

- The cooling system is pressurized when the engine is warm. Wear gloves and other protection and carefully release system pressure if necessary, before performing repairs.

- Partially remove heating and ventilation unit.
- Press retainer clips and remove heater core.
2 - Self tapping screw
- Use if retainer clips break
3 - Air distribution housing
4 - Servo motor for - fresh/recirculating air door -V154-
5 - Self tapping screw
6 - Fresh air blower -V2-
7 - Cover
8 - Self tapping screw
9 - Series resistor -N24-
10 - Sheet metal screw
11 - Central flap lever
12 - Temperature flap lever
13 - Base plate
14 - Heater core/bulkhead seal