Operation CHARM: Car repair manuals for everyone.
Manuals through 2025 now available!

Our trusted friends have launched a new website named LEMON, which has newer manuals. It also contains all the CHARM manuals.

LEMON is the spiritual successor to CHARM, I recommend you try it!

Link: lemon-manuals.la or lemon-manuals.org.ua

(Some people have issue connecting. LEMON is investigating. For now, use Firefox or change your DNS server)

Or, hide this message: temporarily or permanently

Fuel Filter: Service and Repair


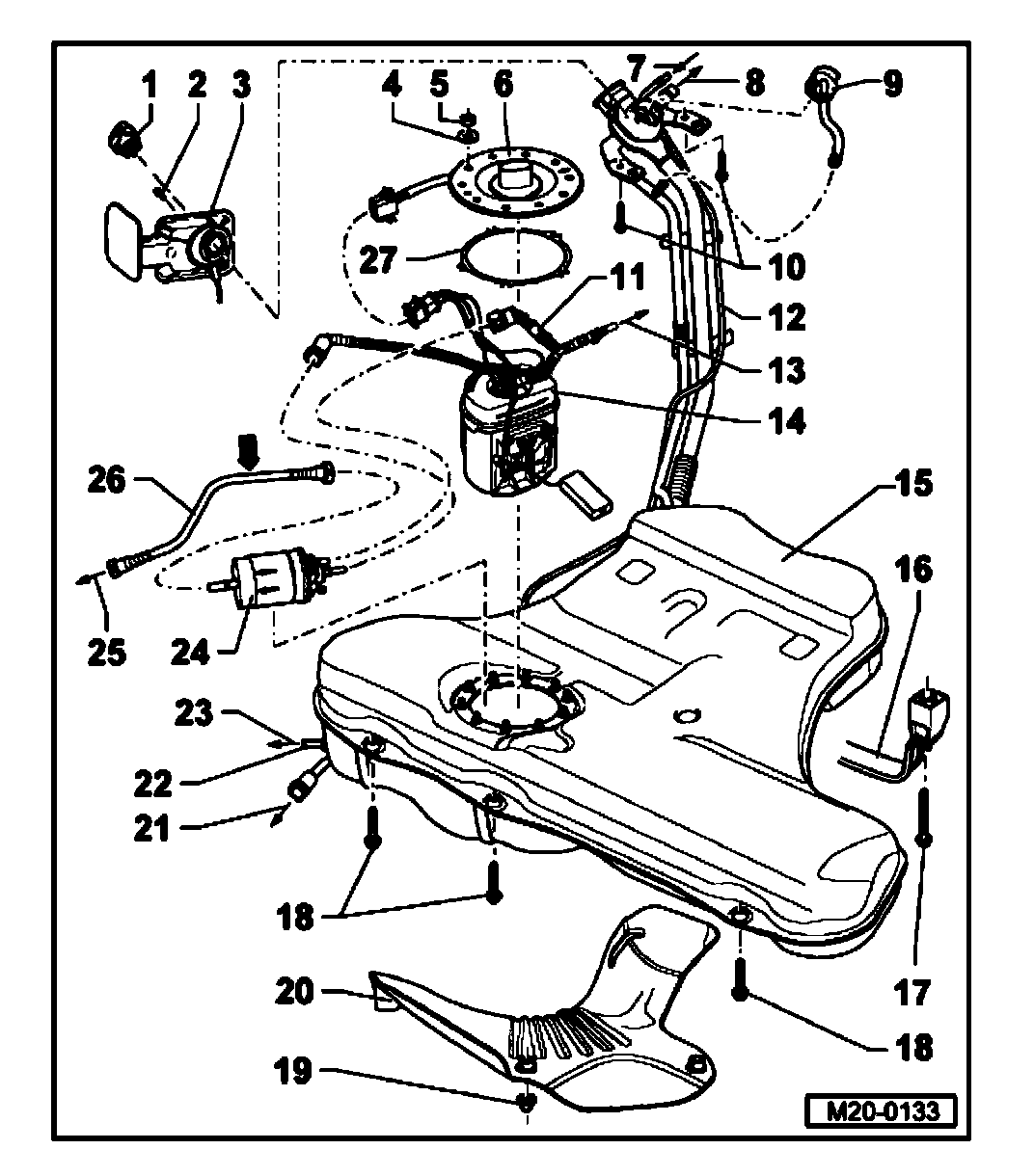
Fuel tank with attachments and fuel filter, removing and installing






Engines: AEG, AVH, AZG, BEV

1. Filler cap
^ - As of model year 2000 with lose protection
2. Seal
^ - Replace if damaged
3. Mounting screw
^ - With rubber cup
4. Tank flap unit
5. Breather line Black Check seated securely Clipped onto top of fuel tank
6. Ground connection
^ - Check seated securely
7. Breather pipe
^ White
^ Check seated securely
^ - Press together at front to release.
8. Gravity valve
^ To remove valve unclip upward out of support
^ Check valve for through flow
^ Valve vertical: Open
^ Valve tilted 45° Closed
9. O-ring
^ - Replace if damaged
10. Change-over valve
^ To remove valve unclip sideways out of support
^ Remove cover before installing Item 1
11. Breather line
^ Black
^ Check seated securely
^ - Press together at front to release
12. Pressure retention valve
13. Breather line
^ Black
^ Check seated securely
^ Clipped onto top of fuel tank
^ - Press together at front to release
14. Fuel tank
^ When removing, support with engine and transmission jack V.A.G. 1383 A
15. Clamping washer
16. Heat shield
^ - For fuel tank
17. 25 Nm
18. Lock nut, 2 Nm
19. Fuel tank cover
20. Securing strap
^ Note different lengths
^ Installation position: Fixing (holes) point forward
21. Supply line
^ Black
^ Check for secure seating
^ To remove from fuel filter, press release buttons on connecting piece.
^ - To fuel supply line on fuel rail
22. Fuel filter
^ Installation position: Arrows point in direction of flow
23. Screw-type clip
24. Breather line
^ White
^ Check seated securely
^ Clipped onto side of fuel tank
^ To Evaporative Emission (EVAP) Canister Purge Regulator Valve -N80-
25. Seal
^ Replace if damaged
^ When installing, insert seal "dry" into fuel tank opening
^ Moisten seal with fuel only when installing flange or fuel delivery unit
26. Fuel delivery unit
27. Union nut, 75 Nm
^ - Remove and install using wrench 3217
28. Supply line
^ Black
^ Check for secure seating
^ Clipped onto side of fuel tank
^ To remove from fuel filter, press release buttons on connecting piece.
29. Return hose
^ Blue or with blue markings
^ Clipped onto side of fuel tank
^ Check for secure seating
^ To remove from flange press release buttons on connecting piece
^ - From fuel return line on fuel rail
30. Connector
^ Black, 4-pin
^ For Sender for fuel gauge -G- and Fuel Pump -G6
31. 10 Nm





Fig. 1 Installed position of flange of fuel delivery unit

Marking on sender must align with the marking on fuel tank (arrows)
Return line -1- (blue or with blue marking) to connection marked -R-.
Black supply line -2- to connection marked -V

Note: After installing the fuel delivery unit flange, check that the supply return and breather lines are still clipped onto the fuel tank.





Fig. 2 Checking switch valve

Lever in rest position: Closed
Lever pushed in direction of (arrow): Open

Note: Unscrew filler cap from fuel tank, before installing breather valve





Fig. 3 Checking pressure retention valve

- Checking flow direction of valve
A) Connection 1.1:
^ Flow in both directions.
^ Connection -2- is closed
B) Connection 1.2:
^ Flow in both directions.
^ Connection -3- is closed
C) Connection 1.2:
^ Flow in both directions.
^ Connection -2- is closed
^ The valve must close when a vacuum is supplied to connection -1





Installation position of screw-type clip relative to fuel filter bolt.

Note: The illustration shows the fuel filter as seen from the front.

- Install screw-type clip (arrow) as shown in illustration.
Make sure there is sufficient distance between clip screw fixture and fuel tank. Dimension"a" must be at least 5 mm.






Engine: BBW
1. Filler cap
^ With retaining device
^ - Replace if damaged
2. Mounting screw
3. Tank flap unit
4. Washer
5. 7 Nm
6. Flange
7. From Evaporative Emissions (EVAP) canister
8. To EVAP canister
9. Non-return valve
^ For removal remove fuel tank
^ For removal press tabs in
^ Must have a passageway in direction of filler neck
10. 10 Nm
11. Non-return valve for fuel pump
12. Breather pipe
^ White
^ Check seated securely
^ Clipped onto side of fuel tank
13. To the suction jet pump
^ Suction jet pump installed tightly in fuel tank to drain tank.
14. Fuel delivery unit
15. Fuel tank
^ When removing, support with engine/transmission jack V.A.G. 1383 A
16. Securing strap
^ - With rubber profile and distance piece
17. 20 Nm - 1/4 turn (90°) further
^ - Always replace
18. 20 Nm - 1/4 turn (90°) further
^ - Always replace
19. 3 Nm
20. Heat shield
^ - For fuel tank
21. To EVAP canister purge regulator valve - N80 .item - 8 -
22. Union for supply line
23. To fuel rail
24. Fuel filter
25. To union in fuel tank
26. Supply line
^ Black
^ Check if seated securely
^ To remove fuel filter and union press safety ring in at junction piece
^ Observe installed position: long straight connection (arrow) faces fuel filter
27. Seal
^ Replace
^ Observe installed position: Bulge lies on fuel tank





Fig. 1 Installed position of flange of fuel delivery unit

The arrow -A- on the flange must be parallel with the vehicle longitudinal axle and must face backward, -B-.





Fig. 2 Removing and installing fuel pressure regulator

1. Fuel filter
^ - Arrows point in flow direction
2. Rubber hose
3. Retaining clip
^ - Check if seated securely
4. Ground strap
^ - Mounted on fuel filter retainer
5. Supply line
^ - From fuel pump
6. Return line
^ - To fuel pump
7. Fuel pressure regulator
8. Seal
^ - Replace
9. O-ring
^ - Replace
10. Supply line
^ - To union in fuel tank