Knock Sensor: Service and Repair
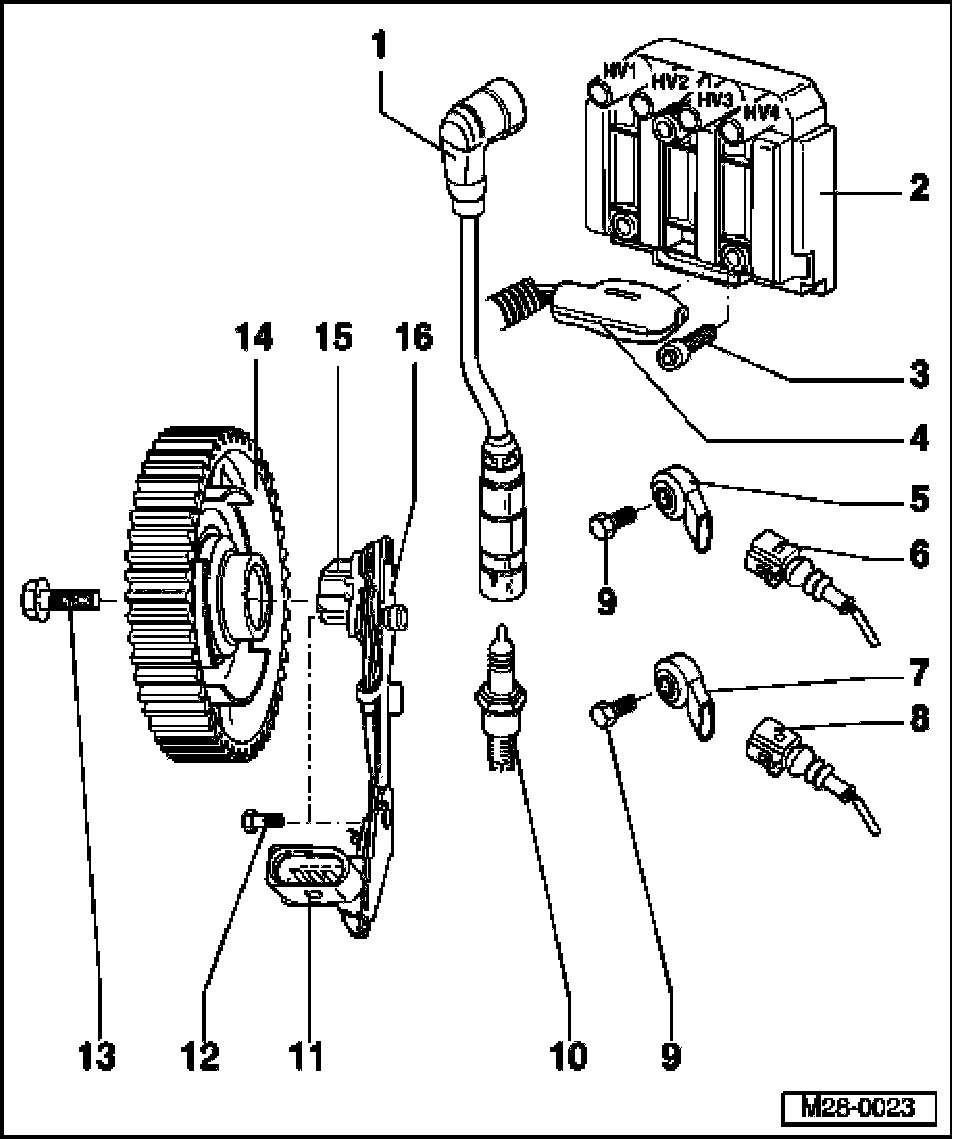
Parts Of The Ignition, Removing And Installing (Vehicles With Engine Code AVH, AZG)
NOTE: Engine Control Module (ECM) with harness connectors, item 8.
1 Ignition wire
- 4 to 8 kOhms
- with interference suppression connector and spark plug connector
2 Ignition coil with power output stage (-N70-, -N127-, -N291-, -N292-)*
- Component location, engine compartment overview
- Ignition wires connection:HV1 = Cylinder 1 HV2 = Cylinder 2 HV3 = Cylinder 3 HV4 = Cylinder 4
3 10 Nm
4 Connector
- 6-pin
5 Knock Sensor (KS) 1 -G61-*
- Component location, engine compartment overview
- contact surfaces between knock sensor and cylinder block must be free of corrosion, dirt and grease
- Terminals of sensor and connector are gold-plated
6 Connector
- 2-pin
- For Knock Sensor (KS) 1 -G61-
- before disconnecting, mark allocation of connector to component
- Terminals of sensor and connector are gold-plated
7 Knock Sensor (KS) 2 -G66-*
- Component location, engine compartment overview
- contact surfaces between knock sensor and cylinder block must be free of corrosion, dirt and grease
- Terminals of sensor and connector are gold-plated
8 Connector
- 2-pin
- For Knock Sensor (KS) 2 -G66-
- before disconnecting, mark allocation of connector to component
- Terminals of sensor and connector are gold-plated
9 20 Nm
- Tightening torque affects function of Knock Sensor (KS)
10 Spark plug, 30 Nm
- Type and spark plug gap, test data, spark plugs
11 Connector
- black, 3-pin
- For Camshaft Position (CMP) sensor 2 -G40-
- Terminals of sensor and connector are gold-plated
12 10 Nm
13 100 Nm
- Use Retainer (3415) when loosening or tightening
14 Camshaft gear
- with trigger wheel for Camshaft Position (CMP) Sensor -G40-
15 Camshaft Position (CMP) sensor -G40-*
- Component location, engine compartment overview
- Terminals of sensor and connector are gold-plated
16 Bracket
- For Camshaft Position (CMP) sensor 2 -G40-.