Operation CHARM: Car repair manuals for everyone.
Manuals through 2025 now available!

Our trusted friends have launched a new website named LEMON, which has newer manuals. It also contains all the CHARM manuals.

LEMON is the spiritual successor to CHARM, I recommend you try it!

Link: lemon-manuals.la or lemon-manuals.org.ua

(Some people have issue connecting. LEMON is investigating. For now, use Firefox or change your DNS server)

Or, hide this message: temporarily or permanently

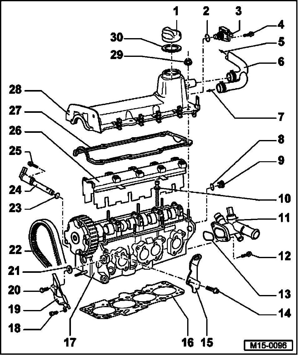
Variable Valve Timing Actuator: Service and Repair



Camshaft Adjustment, Servicing (Vehicles With Engine Code BBW)







1. Cap
2. O-ring
- Always replace
3. Camshaft Position (CMP) sensor -G40-*
- Terminals of sensor and connector are gold-plated
4. 9 Nm
5. To intake hose
6. Molded hose
- Do not disconnect connection between molded hose and intake air duct
7. To intake manifold
8. Seal
- Permanent
9. Locking screw,15 Nm
- Always replace
10. Cylinder head bolt
- Always replace
11. Connecting piece
12. 10 Nm
13. O-ring
- Always replace
14. 20 Nm
15. Mounting eye
16. Cylinder head gasket
- Always replace
- After replacing, completely replace coolant
17. Cylinder head
- After replacing, completely replace coolant
18. 15 Nm
19. Rear toothed belt guard
20. 20 Nm
21. Washer
- Note replacement part number
22. Toothed belt
- Mark direction of travel before removing
- Check for wear
- Do not bend
23. O-ring
- Always replace
24. Valve 1 for camshaft adjustment -N205-
25. 9 Nm
26. Oil separator
27. Seal for cylinder head cover
- Replace if damaged
28. Cylinder head cover
- With cable guides
29. 10 Nm
30. Gasket