Operation CHARM: Car repair manuals for everyone.
Manuals through 2025 now available!

Our trusted friends have launched a new website named LEMON, which has newer manuals. It also contains all the CHARM manuals.

LEMON is the spiritual successor to CHARM, I recommend you try it!

Link: lemon-manuals.la or lemon-manuals.org.ua

(Some people have issue connecting. LEMON is investigating. For now, use Firefox or change your DNS server)

Or, hide this message: temporarily or permanently

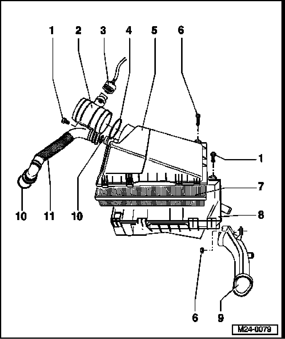
Air Flow Meter/Sensor: Service and Repair



Air Filter, Disassembling And Assembling







1 10 Nm
2 Mass Air Flow (MAF) Sensor -G70-*
- Checking Mass Air Flow (MAF) Sensor -G70-
3 Connector
4 Seal
- Replace if damaged
5 Air filter, upper portion
6 6 Nm
7 Filter element
8 Air filter, lower portion
9 Air duct
10 O-ring
- Replace if damaged
11 Intake hose
- For Secondary Air Injection (AIR) pump