Operation CHARM: Car repair manuals for everyone.
Manuals through 2025 now available!

Our trusted friends have launched a new website named LEMON, which has newer manuals. It also contains all the CHARM manuals.

LEMON is the spiritual successor to CHARM, I recommend you try it!

Link: lemon-manuals.la or lemon-manuals.org.ua

(Some people have issue connecting. LEMON is investigating. For now, use Firefox or change your DNS server)

Or, hide this message: temporarily or permanently

Electronic Throttle Control Module: Service and Repair



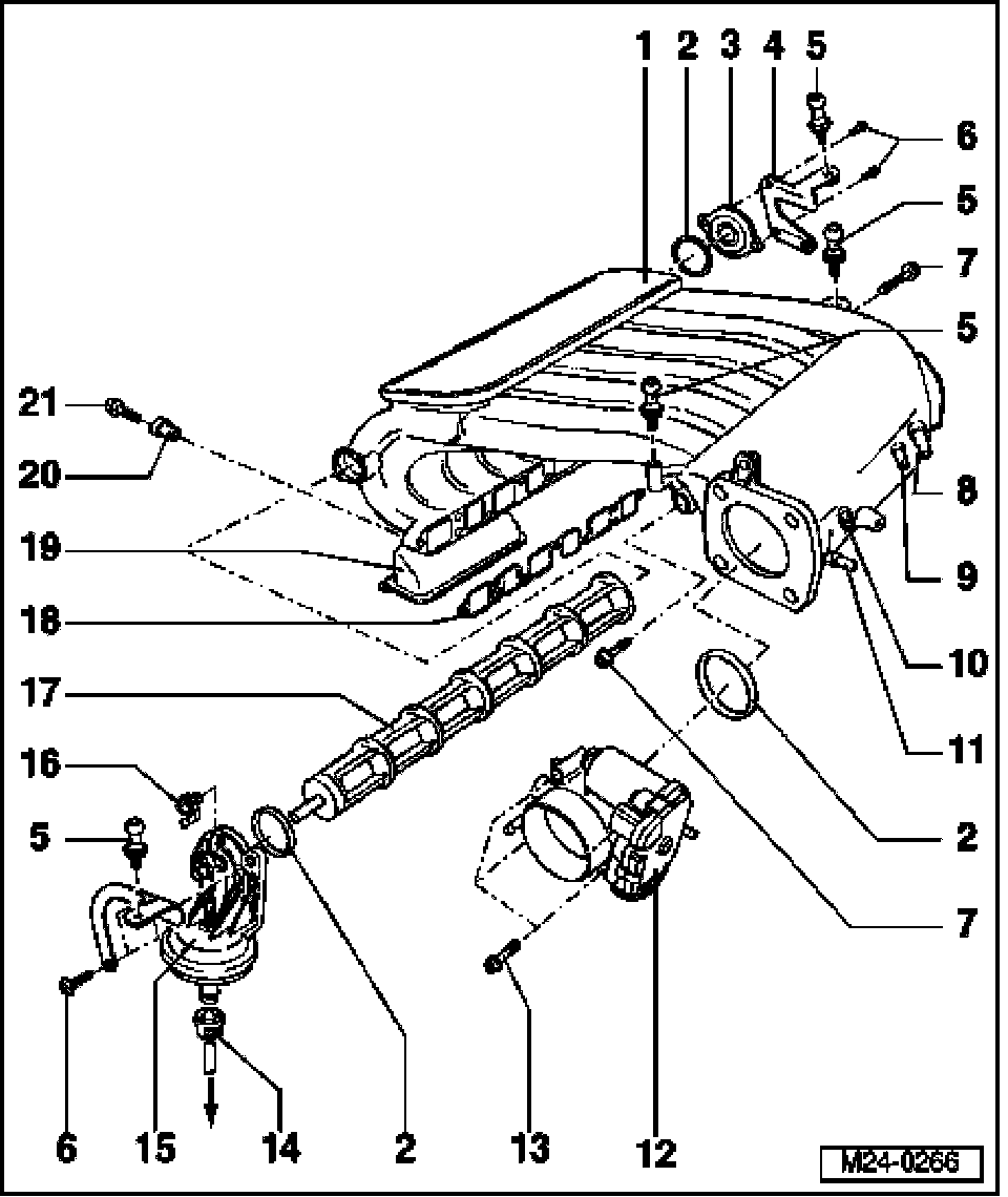
Intake Manifold, Disassembling And Assembling (Vehicles With Engine Code BDF)







1 Intake manifold
2 Seal
- replace
3 Bearing caps
- For change-over roller of intake manifold change-over
4 Bracket
- For pivot pins of engine cover
5 Pivot pin, 5 Nm
- For engine cover
6 5 Nm
7 23 Nm
8 Vacuum pressure connection
- from brake booster
9 Vacuum pressure connection
- from Leak detection pump (LDP) -V144-
10 Vacuum pressure connection
- From fork of fuel pressure regulator
11 Vacuum pressure connection
- From fork of connecting hose for crankcase ventilation/Evaporative Emission (EVAP) Canister Purge Regulator Valve
12 Throttle Valve Control Module -J338-*
- 6-pin connector
- Terminals are gold-plated
- Heated by coolant
13 8 Nm
14 Vacuum line
- To intake manifold change-over valve
15 Vacuum actuator
- for intake manifold change-over
16 Control lever
- for change-over roller
- Check for secure fitting
17 change-over roller
18 Seal
- Note installed position
- Replace if damaged
19 Vacuum reservoir
- for intake manifold change-over
20 Bushing
- For intake manifold mount
- For attaching seal
21 13 Nm