Operation CHARM: Car repair manuals for everyone.
Manuals through 2025 now available!

Our trusted friends have launched a new website named LEMON, which has newer manuals. It also contains all the CHARM manuals.

LEMON is the spiritual successor to CHARM, I recommend you try it!

Link: lemon-manuals.la or lemon-manuals.org.ua

(Some people have issue connecting. LEMON is investigating. For now, use Firefox or change your DNS server)

Or, hide this message: temporarily or permanently

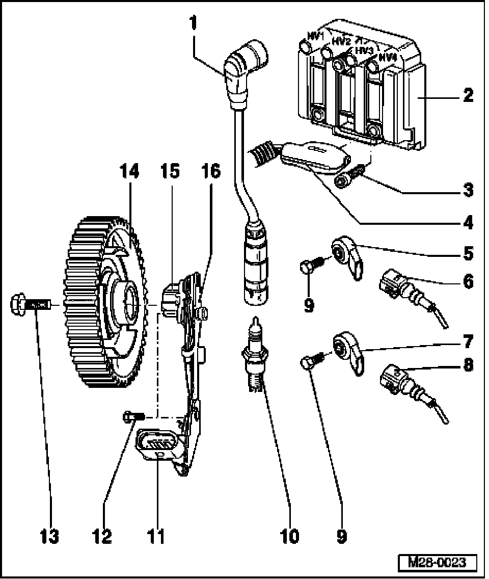
Ignition Components - I



Ignition System Components, Removing And Installing (Engine codes AVH, BEV)







1. Ignition cable
- 4 to 8 kilo Ohms
- With suppression connector and spark plug connector
- Disconnect spark plug connector with T10112.
2. Ignition coils with final output stages (-N70-, -N127-, -N291-, -N292-)
- Ignition cable connection:
HV1 = Cylinder 1
HV2 = Cylinder 2
HV3 = Cylinder 3
HV4 = Cylinder 4

3. 10 Nm
4. Connector
- 6-pin
5. Knock Sensor (KS) 1 -G61-
- Gold plated contacts
- Location: Cylinder block intake side
6. 2-pin connector
- For Knock Sensor (KS) 1 -G61-
- Gold plated contacts
- Do not interchange
7. Knock Sensor (KS) 2 -G66-
- Gold plated contacts
- Location: Cylinder block intake side
8. 2-pin Connector
- For Knock Sensor (KS) 2 -G66-
- Gold plated contacts
- Do not interchange
9. 20 Nm
- Tightening torque influences function of knock sensor
10. Spark plug,25 Nm
- Type and electrode gap, Test data, spark plugs
- Remove and install with 3122 B
11. Connector
- Gold plated contacts
- 3-pin
12. 10 Nm
13. 100 Nm
- Use counterhold 3415 when loosening and tightening.
14. Camshaft pulley
- With screen for camshaft position sensor.
15. Camshaft Position (CMP) Sensor -G40-
16. Bracket
- For Camshaft position sensor.