Operation CHARM: Car repair manuals for everyone.
Manuals through 2025 now available!

Our trusted friends have launched a new website named LEMON, which has newer manuals. It also contains all the CHARM manuals.

LEMON is the spiritual successor to CHARM, I recommend you try it!

Link: lemon-manuals.la or lemon-manuals.org.ua

(Some people have issue connecting. LEMON is investigating. For now, use Firefox or change your DNS server)

Or, hide this message: temporarily or permanently

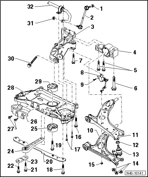
Subframe, Stabilizer Bar and Control Arm Assembly Overview






Subframe, Stabilizer Bar and Control Arm Assembly Overview


Welding and straightening work on supporting or wheel carrying components of the suspension is not permitted.

Always replace self-locking nuts.

Always replace corroded bolts/nuts.





1 Nut, 65 Nm

When tightening, counterhold on hex socket head of joint bolt.

Self-locking

Always replace after removal.

2 Coupling Rod

Linking stabilizer to suspension strut.

3 Bracket

Securing, refer to => [ Subframe, Securing ] Subframe, Securing.

If bracket is replaced, vehicle must be aligned. Refer to => [ Wheel Alignment ] Wheel Alignment.

4 Mounting Bracket

Securing, refer to => [ Subframe, Securing ] Subframe, Securing.

With bonded rubber bushing.

5 Bolt, 50 Nm + 90°

Always replace after removal.

6 Bolt, 70 Nm + 90°

M12 x 1.5 x 90

Always replace after removal.

7 Bolt, 70 Nm + 90°

M12 x 1.5 x 90

Always replace after removal.

8 Left Front Level Control System Sensor (G78)

Can be tested in Guided Fault Finding using the Vehicle diagnosis, testing and information system (VAS 5051B)

9 Bolt, 9 Nm

10 Control Arm

It is possible there are different control arm versions (steel, aluminum).

Do not install control arms made of different versions or made of different materials on the right and left sides.

Replace with ball joint if damaged.

Removal and installation, refer to => [ Control Arm with Mounting Bracket ] Control Arm with Mounting Bracket.

Bushing, replacing, refer to => [ Control Arm Bonded Rubber Bushing ] Service and Repair.

11 Control Arm

It is possible there are different control arm versions (welded sheet steel, single sheet steel).

Do not install control arms made of different versions or made of different materials on the right and left sides.

Replace with ball joint if damaged.

Removal and installation, refer to => [ Control Arm with Mounting Bracket ] Control Arm with Mounting Bracket.

Bushing, replacing, refer to => [ Control Arm Bonded Rubber Bushing ] Service and Repair.

12 Nut, 60 Nm

M12 x 1.5

Self-locking

Always replace after removal.

13 Ball Joint

Checking, refer to => [ Ball Joint, Checking ] Procedures.

Removal and installation, refer to => [ Ball Joint ] Removal and Replacement.

Replace with control arm if damaged.

14 Nut

Steel control arm: 60 Nm.

Steel and aluminum control arms: 100 Nm.

Self-locking

Always replace after removal.

15 Nut, 9 Nm

16 Bolt, 70 Nm + 90°

M12 x 1.5 x 100

Always replace after removal.

17 Bolt, 20 Nm + 90°

Always replace after removal.

18 Bolt, 70 Nm + 90°

M12 x 1.5 x 75

Always replace after removal.

19 Bolt, 100 Nm + 90°

M14 x 1.5 x 70

Only tighten when pendulum support is bolted to transmission.

Always replace after removal.

20 Underbody Protection Bracket

21 Bolt

Always pay attention the bolt size and strength class. There are different tightening specifications.

M10 x 75 strength class 8.8: 40 Nm + 90° turn

M10 x 75 strength class 10.9: 50 Nm + 90° turn


From MY 2008, Heli-Coil inserts are installed in the threads for the pendulum support threaded connection in the 02Q manual transmissions.

On these and all other transmissions, use strength class 10.9 bolts.

If, in the 02Q manual transmissions, there is not Heli-Coil insert, then use 8.8 strength class bolts and the appropriate tightening specification.

Always replace after removal

22 Bolt

Pay attention to the bolt strength class. There are different tightening specifications.

M10 x 35 strength class 8.8: 40 Nm + 90° turn

M10 x 35 strength class 10.9: 50 Nm + 90° turn


From MY 2008, Heli-Coil inserts are installed in the threads for the pendulum support threaded connection in the 02Q manual transmissions.

On these and all other transmissions, use strength class 10.9 bolts.

If, in the 02Q manual transmissions, there is not Heli-Coil insert, then use 8.8 strength class bolts and the appropriate tightening specification.

Always replace after removal.

23 Bracket on Pendulum Support

No replacement part.

24 Pendulum Support

Bolt first to transmission, then to subframe.

Various versions

25 Lower Bonded Rubber Bushing for Pendulum Support

Servicing, refer to => [ Subframe Bushings ] Service and Repair.

26 Shield

27 Bolt, 6 Nm

Self-tapping

28 Subframe

Various versions

Removal and installation, without steering gear, refer to => [ Subframe without Steering Gear ] Subframe without Steering Gear.

Removal and installation, with steering gear, refer to => [ Subframe with Steering Gear ] Subframe with Steering Gear.

29 Upper Bonded Rubber Bushing for Pendulum Support

Servicing, refer to => [ Subframe Bushings ] Service and Repair.

30 Bolt, 70 Nm + 180°

M12 x 1.5 x 110

Always replace after removal.

Tighten only in curb weight position. Refer to => [ Wheel Bearing, Lifting to Curb Weight Position ] Front Suspension.

31 Nut, 65 Nm

When tightening, counterhold on hex socket head of joint bolt.

Self-locking

Always replace after removal.

32 Stabilizer

Various versions

Removal and installation, refer to => [ Stabilizer Bar ] Stabilizer Bar.