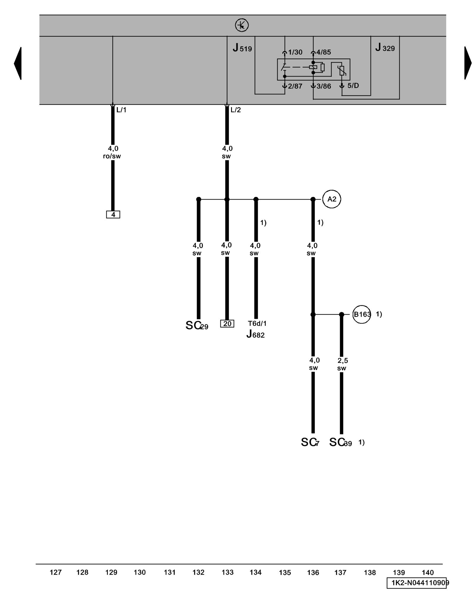
Diagram 44/11 (Tracks 127-140)
IMPORTANT NOTE:
This manufacturer uses "Track" style wiring diagrams.
For information on how to use these diagrams effectively, please refer to Diagram Information and Instructions. Diagram Information and Instructions
Power Supply Relay (terminal 15), Vehicle Electrical System Control Module
ws = white
sw = black
ro = red
br = brown
gn = green
bl = blue
gr = grey
li = lilac
ge = yellow
or = orange
rs = pink
J329 - Power Supply Relay (terminal 15) Locations
J519 - Vehicle Electrical System Control Module Component Locations Locations
J682 - Power Supply Relay (terminal 50) Locations
SC7 - Fuse 7 (on fuse panel C) Locations
SC29 - Fuse 29 (on fuse panel C) Locations
SC39 - Fuse 39 (on fuse panel C) Locations
T6d - 6-Pin Connector
(A2) - Plus Connection (15) (in instrument panel wiring harness)
(B163) - Plus Connection 1 (15) (in interior wiring harness)
1) - Through June 2007
Previous Diagram 44/10 (Tracks 113-126)
Next Diagram 44/12 (Tracks 141-154)