Operation CHARM: Car repair manuals for everyone.
Manuals through 2025 now available!

Our trusted friends have launched a new website named LEMON, which has newer manuals. It also contains all the CHARM manuals.

LEMON is the spiritual successor to CHARM, I recommend you try it!

Link: lemon-manuals.la or lemon-manuals.org.ua

(Some people have issue connecting. LEMON is investigating. For now, use Firefox or change your DNS server)

Or, hide this message: temporarily or permanently

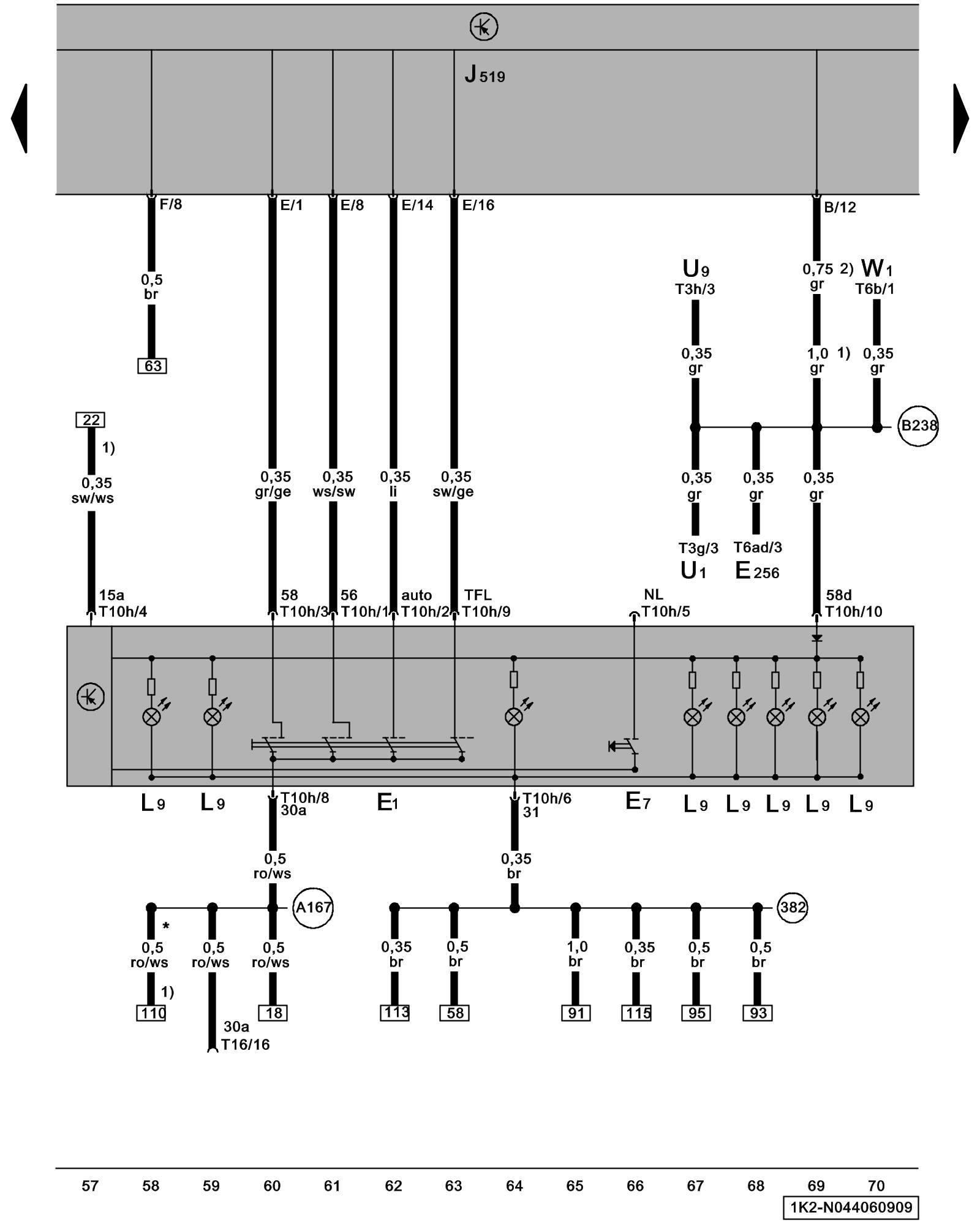
Diagram 44/6 (Tracks 57-70)






IMPORTANT NOTE:
This manufacturer uses "Track" style wiring diagrams.
For information on how to use these diagrams effectively, please refer to Diagram Information and Instructions. Diagram Information and Instructions


Light switch, Vehicle Electrical System Control Module





ws = white
sw = black
ro = red
br = brown
gn = green
bl = blue
gr = grey
li = lilac
ge = yellow
or = orange
rs = pink

E1 - Light Switch

E7 - Fog Lamp Switch

E256 - ASR/ESP Button

J519 - Vehicle Electrical System Control Module Component Locations Locations

L9 - Headlamp Switch Illumination

T3g - 3-Pin Connector, at U1

T3h - 3-Pin Connector, at U9

T6b - 6-Pin Connector

T6ad - 6-Pin Connector, at L76

T10h - 10-Pin Connector, at E1

T16 - 16- Pin Connector, Data Link Connector (DLC), below steering column, left

U1 - Cigarette Lighter

U9 - Rear Cigarette Lighter

W1 - Front Interior Light Telematics System Overview

(382) - Ground Connection 17 (in main wiring harness)

(A167) - Plus Connection 3 (30a) (in instrument panel wiring harness)

(B238) - Plus Connection 2 (58b) (in interior wiring harness)

* - Through November 2005

1) - Through June 2007

2) - From July 2007

Previous Diagram 44/5 (Tracks 43-56)

Next Diagram 44/7 (Tracks 71-84)