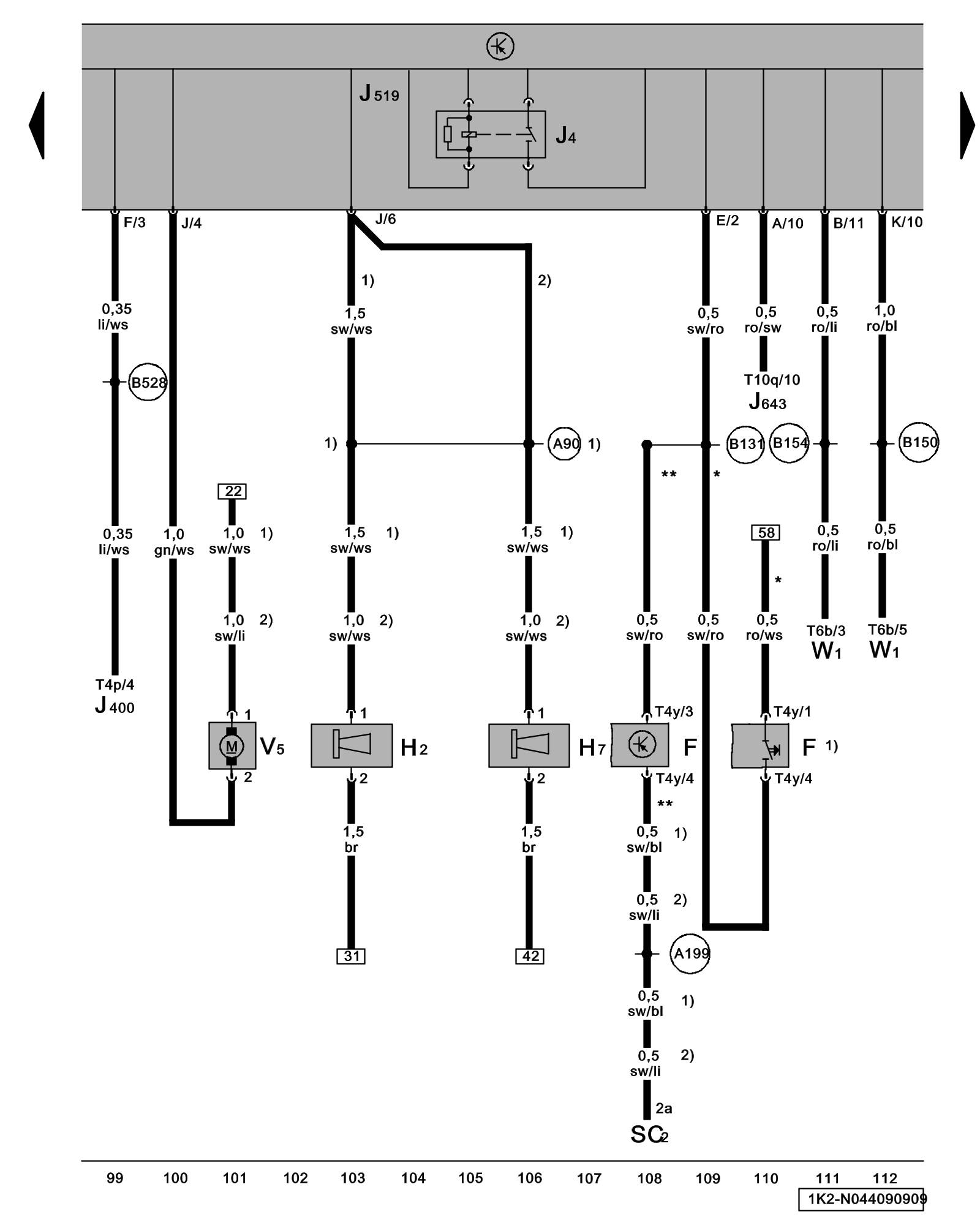
Diagram 44/9 (Tracks 99-112)
IMPORTANT NOTE:
This manufacturer uses "Track" style wiring diagrams.
For information on how to use these diagrams effectively, please refer to Diagram Information and Instructions. Diagram Information and Instructions
Brake Light Switch, High Tone Horn, Low Ton e Horn, Horn Relay, Vehicle Electrical System Control Module, Windshield Washer Pump
ws = white
sw = black
ro = red
br = brown
gn = green
bl = blue
gr = grey
li = lilac
ge = yellow
or = orange
rs = pink
F - Brake Light Switch Brake Light and Park Brake Light Switch
H2 - High Tone Horn Locations
H7 - Low Tone Horn Locations
J4 - Horn Relay Locations
J400 - Wiper Motor Control Module
J519 - Vehicle Electrical System Control Module Component Locations Locations
J643 - Fuel Primer Relay
SC2 - Fuse 2 (on fuse panel) Locations
T4p - 4-Pin Connector, at J400
T4y - 4-Pin Connector, at F
T6b - 6-Pin Connector, at W1
T10q - 10-Pin Connector, at J643
V5 - Windshield Washer Pump
W1 - Front Interior Light Telematics System Overview
(A90) - Dual-tone Horn Connection (in instrument panel wiring harness)
(A199) - Plus Connection 4 (15a) (in instrument panel wiring harness)
(B131) - Connection (54) (in interior wiring harness)
(B150) - Plus Connection 2 (30a) (in interior wiring harness)
(B154) - Connection 1 (TK) (in interior wiring harness)
(B528) - Connection (LIN-Bus) (in main wiring harness)
* - Through November 2005
** - From December 2005
1) - Through June 2007
2) - From July 2007
Previous Diagram 44/8 (Tracks 85-98)
Next Diagram 44/10 (Tracks 113-126)