Operation CHARM: Car repair manuals for everyone.
Manuals through 2025 now available!

Our trusted friends have launched a new website named LEMON, which has newer manuals. It also contains all the CHARM manuals.

LEMON is the spiritual successor to CHARM, I recommend you try it!

Link: lemon-manuals.la or lemon-manuals.org.ua

(Some people have issue connecting. LEMON is investigating. For now, use Firefox or change your DNS server)

Or, hide this message: temporarily or permanently

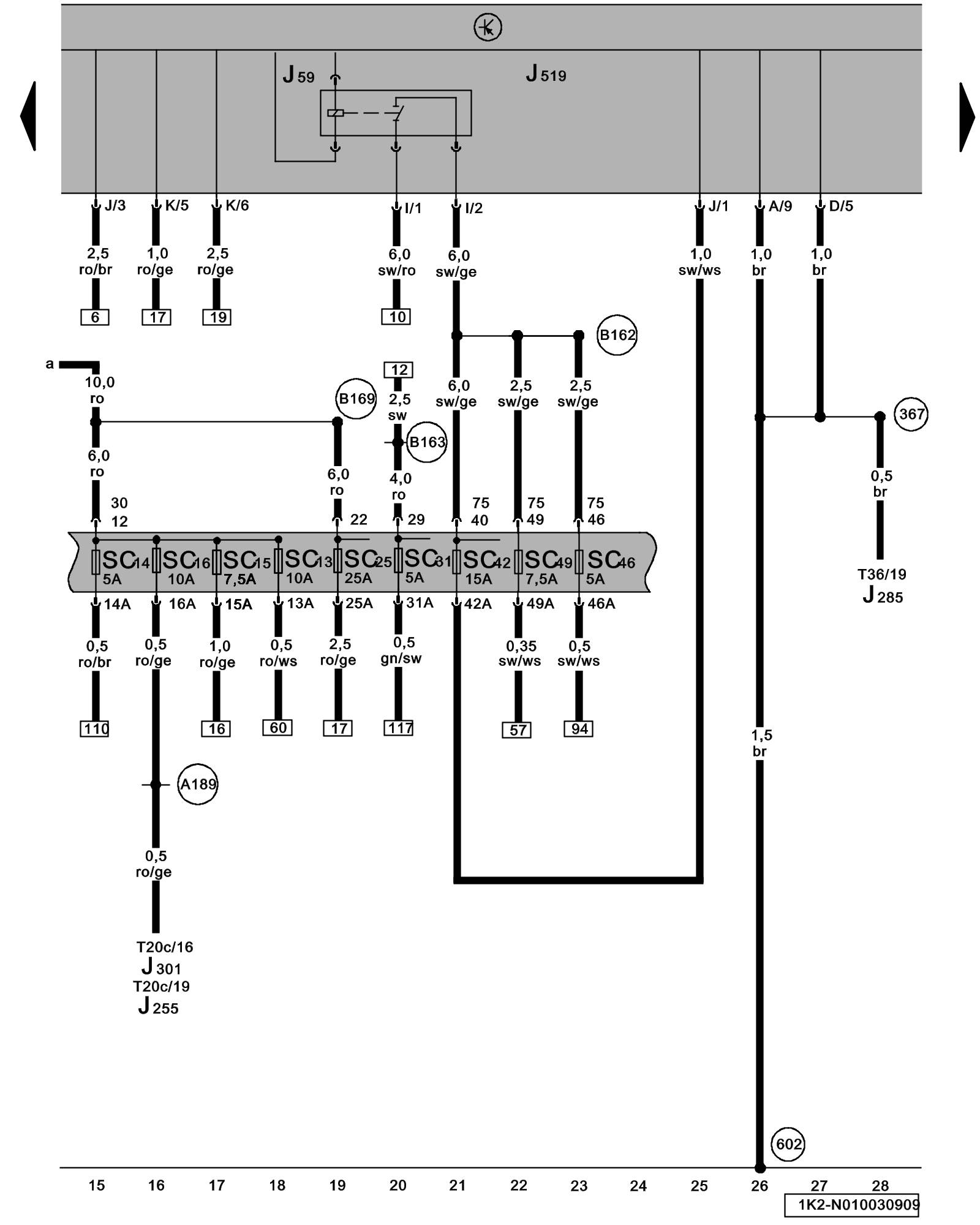
Diagram 10/3 (Tracks 15-28)






IMPORTANT NOTE:
This manufacturer uses "Track" style wiring diagrams.
For information on how to use these diagrams effectively, please refer to Diagram Information and Instructions. Diagram Information and Instructions


Load Reduction Relay, Vehicle Electrical System Control Module, Fuses (SC)





ws = white
sw = black
ro = red
br = brown
gn = green
bl = blue
gr = grey
li = lilac
ge = yellow
or = orange
rs = pink

J59 - Load Reduction Relay Locations

J255 - Climatronic Control Module Climatronic (Automatic Climate Control) Heating and A/C Components Overview

J285 - Instrument Cluster Control Module Component Locations Locations

J301 - A/C Control Module Climatic (Manual Climate Control) Heating and A/C System Components Overview

J519 - Vehicle Electrical System Control Module Component Locations Locations

SC13 - Fuse 13 (in fuse panel) Locations

SC14 - Fuse 14 (in fuse panel) Locations

SC15 - Fuse 15 (in fuse panel) Locations

SC16 - Fuse 16 (in fuse panel) Locations

SC25 - Fuse 25 (in fuse panel) Locations

SC31 - Fuse 31 (in fuse panel) Locations

SC42 - Fuse 42 (in fuse panel) Locations

SC46 - Fuse 46 (in fuse panel) Locations

SC49 - Fuse 49 (in fuse panel) Locations

T20c - 20-Pin Connector

T36 - 36-Pin Connector, at J285

(367) - Ground Connection 2 (in main wiring harness)

(602) - Ground Point in Floor out let front, left

(A189) - Plus Connection 5 (30a) (in instrument panel wiring harness)

(B162) - Connection (75a), in wiring harness interior

(B163) - Plus Connection 1 (15) in wiring harness interior

(B169) - Plus Connection 1 (30) in passenger compartment wiring harness

Previous Diagram 10/2 (Tracks 1-14)

Next Diagram 10/4 (Tracks 29-42)