Operation CHARM: Car repair manuals for everyone.
Manuals through 2025 now available!

Our trusted friends have launched a new website named LEMON, which has newer manuals. It also contains all the CHARM manuals.

LEMON is the spiritual successor to CHARM, I recommend you try it!

Link: lemon-manuals.la or lemon-manuals.org.ua

(Some people have issue connecting. LEMON is investigating. For now, use Firefox or change your DNS server)

Or, hide this message: temporarily or permanently

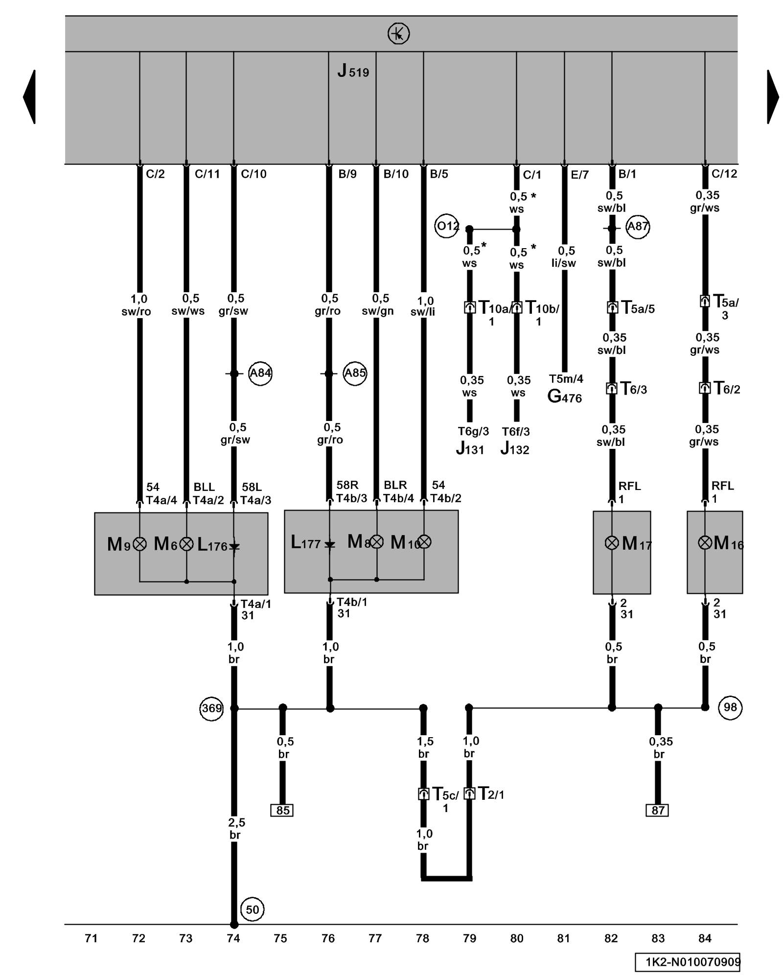
Diagram 10/7 (Tracks 71-84)






IMPORTANT NOTE:
This manufacturer uses "Track" style wiring diagrams.
For information on how to use these diagrams effectively, please refer to Diagram Information and Instructions. Diagram Information and Instructions


Vehicle Electrical System Control Module, Right/left Taillamps, Left/right Rear Turn Signal Lamps, Left/right Brake Lamps, Left/right Back-Up Lamps





ws = white
sw = black
ro = red
br = brown
gn = green
bl = blue
gr = grey
li = lilac
ge = yellow
or = orange
rs = pink

G476 - Clutch Position Sensor

J131 - Driver's Heated Seat Control Module Component Locations Heated Driver Seat Control Module -J131-

J132 - Front Passenger's Heated Seat Control Module Heated Front Passenger Seat Control Module -J132-

J519 - Vehicle Electrical System Control Module Component Locations Locations

L176 - Left LED Parking Lamp/DRL Module

L177 - Right LED Parking Lamp/DRL Module

M6 - Left Rear Turn Signal Lamp

M8 - Right Rear Turn Signal Lamp

M9 - Left Brake Lamp

M10 - Right Brake Lamp

M16 - Left Back-Up Lamp

M17 - Right Back-Up Lamp

T2 - Double Connector

T4a - 4-Pin Connector

T4b - 4-Pin Connector

T5a - 5-Pin Connector

T5c - 5-Pin Connector

T5m - 5-Pin Connector

T6 - 6-Pin Connector

T6g - 6-Pin Connector

T6f - 6-Pin Connector

T10a - 10-Pin Connector

T10b - 10-Pin Connector

(50) - Ground Connection, in luggage compartment, left

(98) - Ground Connection, in rear lid wiring harness

(369) - Ground Connection 4 (in main wiring harness)

(A84) - Connection (58L) (in Instrument panel wiring harness)

(A85) - Connection (58R) (in Instrument panel wiring harness)

(A87) - Back-up Lamp Connection (in instrument panel wiring harness)

(O12) - Connection 1 (in heated seat wiring harness)

(*) - Vehicles with heated seats only

Previous Diagram 10/6 (Tracks 57-70)

Next Diagram 10/8 (Tracks 85-98)