Operation CHARM: Car repair manuals for everyone.
Manuals through 2025 now available!

Our trusted friends have launched a new website named LEMON, which has newer manuals. It also contains all the CHARM manuals.

LEMON is the spiritual successor to CHARM, I recommend you try it!

Link: lemon-manuals.la or lemon-manuals.org.ua

(Some people have issue connecting. LEMON is investigating. For now, use Firefox or change your DNS server)

Or, hide this message: temporarily or permanently

A/C Refrigerant System Components, Servicing



A/C Refrigerant System Components, Servicing

CAUTION:
- Frostbite danger.
- High pressure refrigerant may leak out if refrigerant circuit is not discharged.
- Always evacuate refrigerant prior to opening refrigerant circuit.







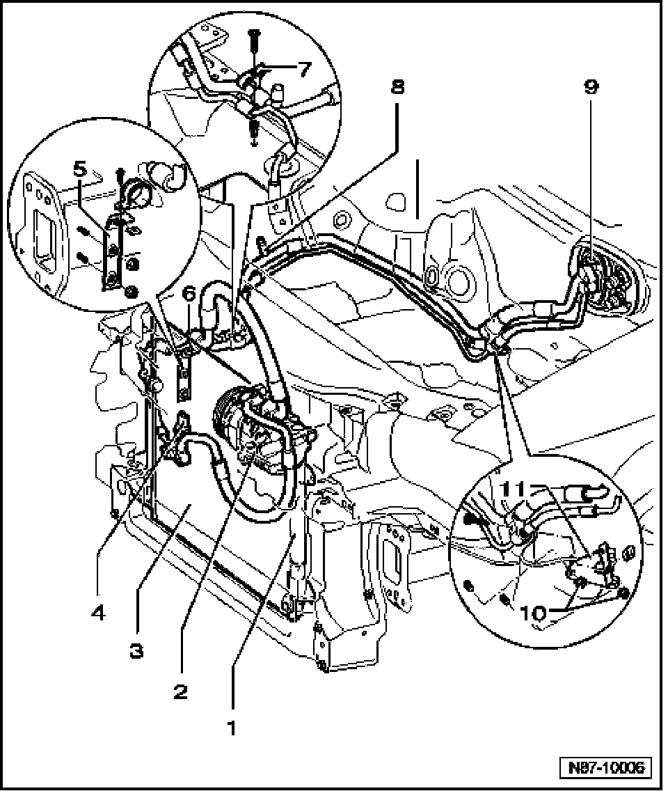
1. Fluid reservoir with dryer cartridge
2. A/C compressor
- Observe notes for installing A/C compressor
3. Condenser
4. High Pressure Sensor G65
5. Bracket
6. High pressure service valve
- Capacities
7. Capacities
8. Low pressure service valve
- Capacities
9. Expansion valve
- Servicing function
10. Hex nut
- 20 Nm
11. Bracket







High Pressure Sensor G65, removing and installing
- Remove lower noise insulation (under engine)
- Disconnect electrical connection from high pressure sensor - 1 -.
- Remove sensor - 1 - from connection of refrigerant line.

NOTE:
- Replace O-ring - 2 -
- Depending on engine version, sensor - 1 - may be installed on a different side in the vicinity of the condenser.