Operation CHARM: Car repair manuals for everyone.
Manuals through 2025 now available!

Our trusted friends have launched a new website named LEMON, which has newer manuals. It also contains all the CHARM manuals.

LEMON is the spiritual successor to CHARM, I recommend you try it!

Link: lemon-manuals.la or lemon-manuals.org.ua

(Some people have issue connecting. LEMON is investigating. For now, use Firefox or change your DNS server)

Or, hide this message: temporarily or permanently

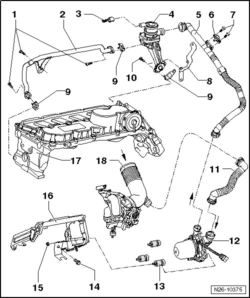
Air Injection: Service and Repair






Secondary Air Injection System Overview

The Secondary Air Injection (AIR) system is no longer installed in vehicles with engine code CBTA from MY 10.






1 Bolt

10 Nm

2 Secondary Air Injection Pipe

Observe the tightening sequence, refer to => [ Secondary Air Injection Pipe Bolt Tightening
Sequence ].

For engine codes BGP, BGQ and CBUA only.

3 Connector

For the Secondary Air Injection (AIR) solenoid valve.

4 Secondary Air Injection Solenoid Valve (N112)

Do not disassemble.

Checking, refer to => [ , Checking ] Secondary Air Injection Solenoid Valve (N112), Checking.

5 Pressure Tube

Make sure it is secure.

To disengage, squeeze together the securing ring.

6 Secondary Air Injection Sensor 1 (G609)

Installed from MY 09.

7 Screws

2 Nm

Installed from MY 09.

8 Bracket

9 Gasket

10 Bolt

10 Nm

11 Vent Tube

For the AIR pump motor.

12 Secondary Air Injection Pump Motor (V101)

Removing and installing, refer to => [ ] Service and Repair.

13 Rubber Bushing

14 Bolt

25 Nm

15 Nut

10 Nm

16 Intake Manifold Support

With the mount for the AIR pump motor.

For the Jetta from MY 11 there is a redesigned intake manifold support => [ (Item 9) Intake Manifold Support ] Service and Repair

17 Cylinder Head

18 Connecting Pipe

Secondary Air Injection Pipe Bolt Tightening Sequence





- Replace all seals for the pipe - A -.

- Install all bolts only hand tight.

- Tighten the bolts - 1 - first, then bolt - 2 - and then bolt - 3 - to 10 Nm.