Operation CHARM: Car repair manuals for everyone.
Manuals through 2025 now available!

Our trusted friends have launched a new website named LEMON, which has newer manuals. It also contains all the CHARM manuals.

LEMON is the spiritual successor to CHARM, I recommend you try it!

Link: lemon-manuals.la or lemon-manuals.org.ua

(Some people have issue connecting. LEMON is investigating. For now, use Firefox or change your DNS server)

Or, hide this message: temporarily or permanently

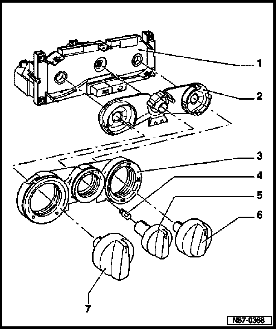
Heating and A/C Controls, Assembly



Heating and A/C Controls, Assembly







1. Heating and A/C controls
- With A/C switch -E35-
- With fresh air blower switch -E9-
- With switch for fresh air blower and recirculated air -E184-
2. Illumination filter
3. Trim panel
4. Fresh air control lever light -L16-
- 12V, 1.2W
5. Rotary control
- For blower speed
- To remove: Use pliers with suitable plastic or rubber protection on jaws
6. Rotary control
- For air distribution
- To remove: Use pliers with suitable plastic or rubber protection on jaws
7. Rotary control
- For interior temperature
- To remove: Use pliers with suitable plastic or rubber protection on jaws