Operation CHARM: Car repair manuals for everyone.
Manuals through 2025 now available!

Our trusted friends have launched a new website named LEMON, which has newer manuals. It also contains all the CHARM manuals.

LEMON is the spiritual successor to CHARM, I recommend you try it!

Link: lemon-manuals.la or lemon-manuals.org.ua

(Some people have issue connecting. LEMON is investigating. For now, use Firefox or change your DNS server)

Or, hide this message: temporarily or permanently

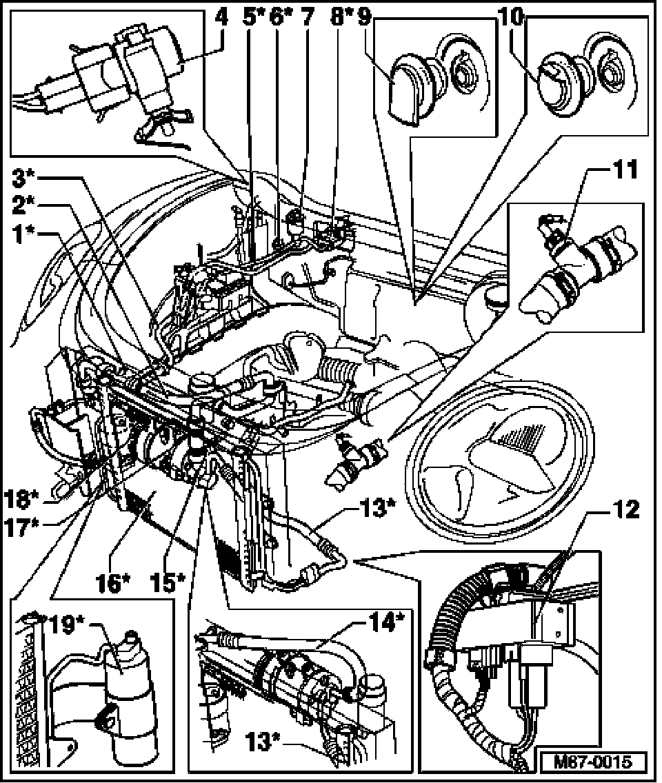
Components In Engine Compartment, Servicing



Components In Engine Compartment, Servicing







CAUTION:
Before beginning repairs on the electrical system:
- Obtain the anti-theft radio security code.
- Switch off all electrical consumers.
- Switch off ignition and remove ignition key.
- Disconnect negative ( - ) battery terminal.
- When disconnecting and reconnecting battery terminals, observe all applicable Notes and torque specifications, as well as instructions on performing OBD program and electrical system function checks as specified.
- Immediately plug open connections on A/C components to prevent dirt and moisture contamination.

NOTE:
- Before carrying out any work on the A/C refrigerant system, refer to A/C refrigerant system safety measures.
- System components identified with an * must only be serviced or replaced after discharging refrigerant system.

1. Damper*
2. Refrigerant hose*
- With damper
3. Refrigerant pipe*
4. Ambient temperature switch -F38-
- Switches off A/C clutch -N25- at low ambient temperatures
- Off at -1 degree C (30 degree F)
- On at 7 degree C (45 degree F )
5. Refrigerant pipe
- From receiver drier to expansion valve
6. Low pressure service valve
- Only use Kent Moore ACR4 or equivalent
7. A/C pressure switch -F129- or high pressure sensor -G65-
- Depending on engine type, refrigerant systems have either an A/C pressure switch -F129- or high pressure sensor -G65- installed. Refer to appropriate wiring diagram.
- Checking -F129- See Fig. 2
- Checking -G65- See Fig. 3
- Removing and installing See Fig. 4
- Component can be removed without discharging refrigerant system
8. Expansion valve*
9. Evaporator water drain valve from 06.00
- Checking See Fig. 2.
10. Evaporator water drain valve through 05.00
- Checking See Fig. 1.
11. A/C cut-out thermal switch -F163-
- Switches off A/C clutch -N25- at excessively high coolant temperature
- Off at 119 degree C (246 degree F)
- On at 112 degree C (234 degree F)
12. Coolant fan control (FC) control module -293-
13. Refrigerant hose*
- From compressor to condenser
14. Refrigerant hose
- From expansion valve to compressor
- With damper
15. Pressure relief valve*
- On compressor
- Checking See Fig. 1
16. Condenser*
17. Compressor*
- Sanden SD7-V16
18. A/C clutch -N25-
19. Receiver drier*

Fig. 1 Evaporator water drain valve through 05.00, checking







- Fold cover -1- in bulkhead insulation mat -3- upwards.
- Remove drain valve -2- from opening in bulkhead -4-.

Check water drain valve as follows to ensure correct function:
- The water drain valve must not be stuck together.
- Insulation mat must not be deformed or damaged in the area of water drain valve.
- The opening in the sealing cap of the water drain valve must point downwards.

NOTE: When the cover cap -1-is closed it must be flush with the insulation matting. If the cover cap -1- is pushed in too far, the water drain valve sealing cap -2- can become jammed.

Fig. 2 Evaporator water drain valve from 06.00, checking







NOTE: Design of new evaporator drain valve from 06.00 is essentially maintenance free.