Operation CHARM: Car repair manuals for everyone.
Manuals through 2025 now available!

Our trusted friends have launched a new website named LEMON, which has newer manuals. It also contains all the CHARM manuals.

LEMON is the spiritual successor to CHARM, I recommend you try it!

Link: lemon-manuals.la or lemon-manuals.org.ua

(Some people have issue connecting. LEMON is investigating. For now, use Firefox or change your DNS server)

Or, hide this message: temporarily or permanently

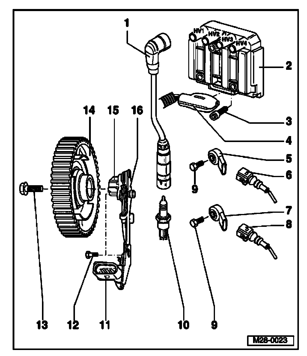
Ignition Components



Ignition Components, Removing And Installing (Vehicles With Engine Code AVH, AZG, BDC, BEV, BGD)







NOTE: Engine Control Module (ECM) with connectors.

1. Ignition wire
- 4 to 8 kohms
- With interference suppression connector and spark plug connector
2. Ignition coil with power output stage (-N70-, -N127-, -N291-, -N292-)
- Ignition wires connection: HV1 = Cylinder 1 HV2 = Cylinder 2 HV3 = Cylinder 3 HV4 = Cylinder 4
3. 10 Nm
4. Connector
- 6-pin
5. Knock Sensor (KS) 1 -G61-
- Contact surfaces between knock sensor and cylinder block must be free of corrosion, dirt and grease
- Terminals of sensor and connector are gold-plated
6. Connector
- 2-pin
- For Knock Sensor (KS) 1 -G61-
- Before disconnecting, mark allocation of connector to component
- Terminals of sensor and connector are gold-plated
7. Knock Sensor (KS) 2 -G66-
- Contact surfaces between knock sensor and cylinder block must be free of corrosion, dirt and grease
- Terminals of sensor and connector are gold-plated
8. Connector
- 2-pin
- For Knock Sensor (KS) 2 -G66-
- Before disconnecting, mark allocation of connector to component
- Terminals of sensor and connector are gold-plated
9. 20 Nm
- Tightening torque affects function of Knock Sensor (KS)
10. Spark plug, 30 Nm
- Type and spark plug gap. test data, spark plugs
11. Connector
- 3-pin
- For Camshaft Position (CMP) sensor -G40-
- Terminals of sensor and connector are gold-plated
12. 10 Nm
13. 100 Nm
- Use Retainer 3415 when loosening or tightening
14. Camshaft gear
- With trigger wheel for Camshaft Position (CMP) Sensor -G40-
15. Camshaft Position (CMP) sensor -G40-*
- Terminals of sensor and connector are gold-plated
16. Bracket
- For Camshaft Position (CMP) sensor.