Operation CHARM: Car repair manuals for everyone.
Manuals through 2025 now available!

Our trusted friends have launched a new website named LEMON, which has newer manuals. It also contains all the CHARM manuals.

LEMON is the spiritual successor to CHARM, I recommend you try it!

Link: lemon-manuals.la or lemon-manuals.org.ua

(Some people have issue connecting. LEMON is investigating. For now, use Firefox or change your DNS server)

Or, hide this message: temporarily or permanently

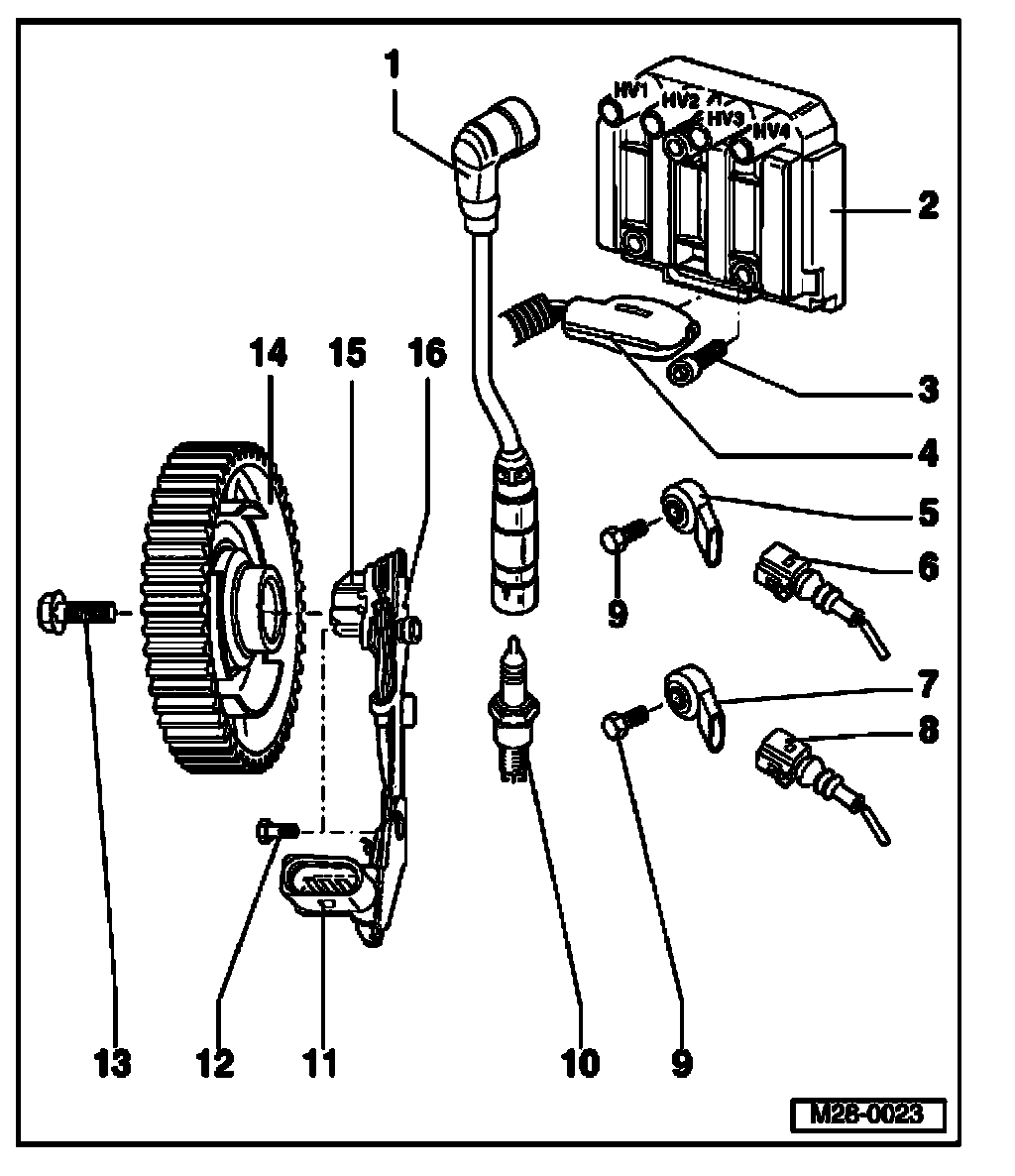
Ignition System Components, Assembly Overview



Ignition System Components, Assembly Overview (Engine codes AVH, AZG, BEV, BGD)







1. Ignition cable
- 4 to 8 kohms
- With suppression connector and spark plug connector
- Check for continuity
- Pull off spark plug connector with T10112
2. Ignition coil with final output stage -N70-, -N127-, -N291-, -N292-
- With ignition coil identification: HV 1 (or A) = cylinder 1, HV 2 (or B) = cylinder 2, HV 3 (or C) = cylinder 3, HV 4 (or D) cylinder 4
3. 10 Nm
4. Connector
- For ignition coils with final output stages
5. Knock Sensor (KS) 1 -G61-
- Sensor and connector contacts are gold plated
- Contact surfaces of knock sensor and cylinder block must be clean and free of oil
6. Connector
- 2-pin
- For Knock Sensor (KS) 1 -G61-
- Sensor and connector contacts are gold plated
7. Knock Sensor (KS) 2 -G66-
- Sensor and connector contacts are gold plated
- Contact surfaces of knock sensor and cylinder block must be clean and free of oil
8. Connector
- 2-pin
- For Knock Sensor (KS) 2 -G66-
- Sensor and connector contacts are gold plated
9. 20 Nm
- Tightening torque influences function of knock sensor
10. Spark plug, 25 Nm
- Remove and install with 3122B
- To remove and install disconnect connectors for outer injectors
- Type and electrode gap.
11. Connector
- 3-pin
- For Camshaft Position (CMP) sensor -G40-
12. 10 Nm
13. 100 Nm
- Use counter support 3415 when loosening and tightening
14. Camshaft pulley
- With rotor for Camshaft Position (CMP) sensor -G40-.
15. Camshaft Position (CMP) sensor -G40-
16. Bracket
- For Camshaft Position (CMP) sensor -G40-.