Operation CHARM: Car repair manuals for everyone.
Manuals through 2025 now available!

Our trusted friends have launched a new website named LEMON, which has newer manuals. It also contains all the CHARM manuals.

LEMON is the spiritual successor to CHARM, I recommend you try it!

Link: lemon-manuals.la or lemon-manuals.org.ua

(Some people have issue connecting. LEMON is investigating. For now, use Firefox or change your DNS server)

Or, hide this message: temporarily or permanently

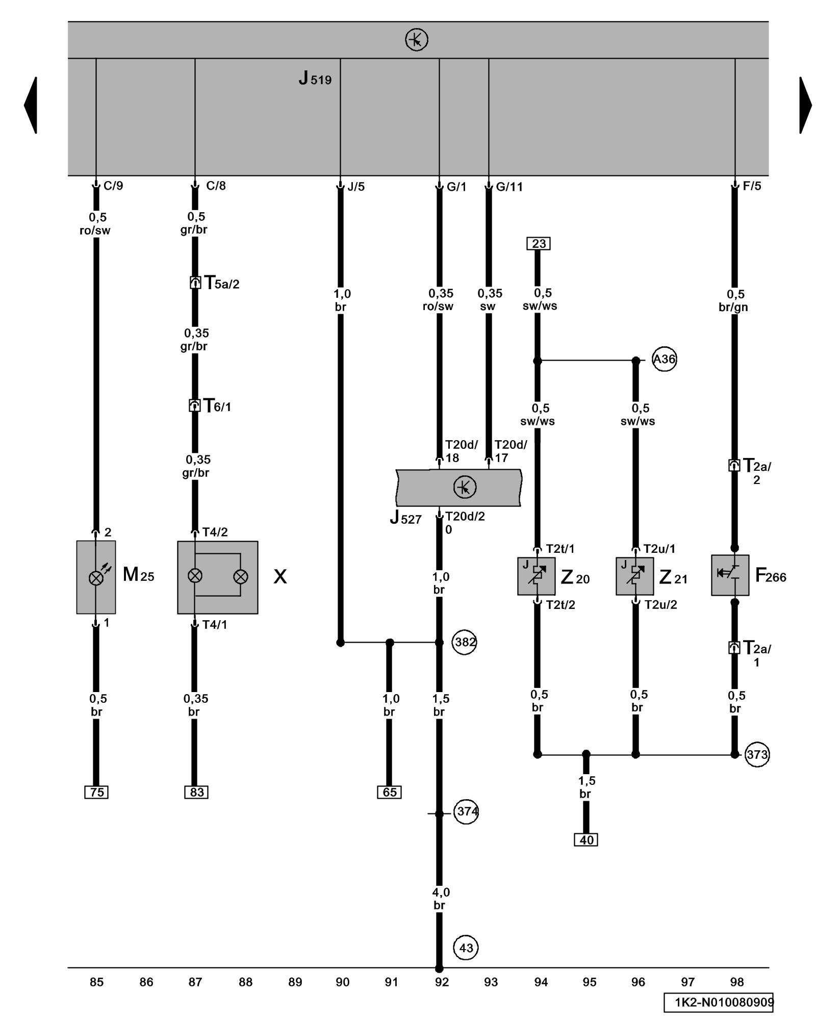
Diagram 10/8 (Tracks 85-98)






IMPORTANT NOTE:
This manufacturer uses "Track" style wiring diagrams.
For information on how to use these diagrams effectively, please refer to Diagram Information and Instructions. Diagram Information and Instructions


Front Hood Switch, Vehicle Electrical System Control Module, Steering Column Electronic Systems Control Module, High-mount Brake Light, Left Washer Nozzle Heater, Right Washer Nozzle Heater,Right Washer Nozzle Heater





ws = white
sw = black
ro = red
br = brown
gn = green
bl = blue
gr = grey
li = lilac
ge = yellow
or = orange
rs = pink

F266 - Front Hood Switch Central Locking / Anti-Theft Systems

J519 - Vehicle Electrical System Control Module Component Locations Vehicle Electrical System Control Module -J519-

J527 - Steering Column Electronic Systems Control Module Component Locations Steering Column Electronic Systems Control Module -J527-

M25 - High-mount Brake Light

T2a - Double Connector

T2t - Double Connector, at Z20

T2u - Double Connector, at Z21

T4 - 4-Pin Connector

T5a - 5-Pin Connector

T6 - 6-Pin Connector

T20d - 20-Pin Connector, at J527

Z20 - Left Washer Nozzle Heater

Z21 - Right Washer Nozzle Heater

X - License Plate Light

(43) - Ground Connection, on right A-pillar, lower part

(373) - Ground Connection 8 (in main wiring harness)

(374) - Ground Connection 9 (in main wiring harness)

(382) - Ground Connection 17 (in main wiring harness)

(A36) - Connection (75a), in instrument panel wiring harness

Previous Diagram 10/7 (Tracks 71-84)

Next Diagram 10/9 (Tracks 99-112)