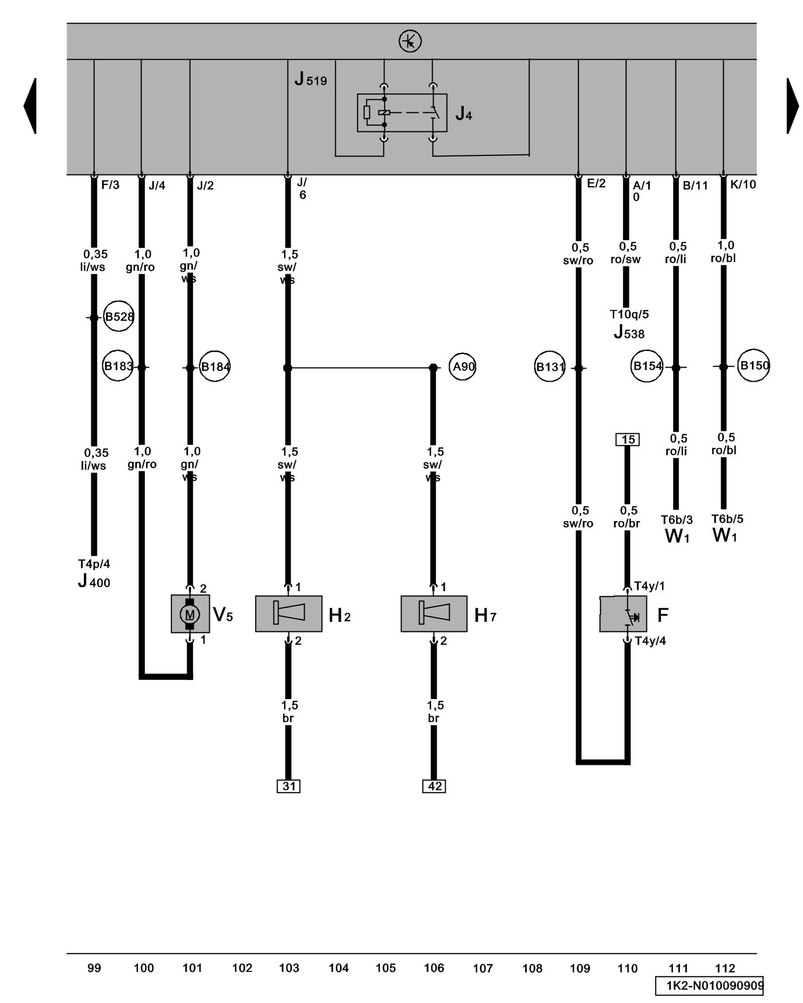
Diagram 10/9 (Tracks 99-112)
IMPORTANT NOTE:
This manufacturer uses "Track" style wiring diagrams.
For information on how to use these diagrams effectively, please refer to Diagram Information and Instructions. Diagram Information and Instructions
Vehicle Electrical System Control Module, Brake Light Switch, High Tone Horn, Low Tone Horn, Windshield Washer Pump
ws = white
sw = black
ro = red
br = brown
gn = green
bl = blue
gr = grey
li = lilac
ge = yellow
or = orange
rs = pink
F - Brake Light Switch Brake Light and Park Brake Light Switch
H2 - High Tone Horn Locations
H7 - Low Tone Horn Locations
J4 - Horn Relay Locations
J400 - Control module for wiper motor
J519 - Vehicle Electrical System Control Module Component Locations Vehicle Electrical System Control Module -J519-
J538 - Fuel Pump (FP) Control Module Locations
T4p - 4-Pin Connector, at J400
T4y - 4-Pin Connector, at F
T6b - 6-Pin Connector, at W1
T10q - 10-Pin Connector, at J643
V5 - Windshield Washer Pump
W1 - Front Interior Light Telematics System Overview
(A90) - Connection (two-tone horn), in instrument panel wiring harness
(B131) - Connection (54), in wiring harness interior
(B150) - Plus Connection 2 (30a), in wiring harness interior
(B154) - Connection 1 (TK), in wiring harness interior
(B183) - Connection 1 (windshield washer pump) in passenger compartment wiring harness
(B184) - Connection 2 (windshield washer pump) in passenger compartment wiring harness
(B528) - Connection (LIN-Bus) (in main wiring harness)
Previous Diagram 10/8 (Tracks 85-98)
Next Diagram 10/10 (Tracks 113-126)