Components In Engine Compartment, Servicing
Components In Engine Compartment, Servicing
CAUTION:
Before beginning repairs on the electrical system:
- Obtain the anti-theft radio security code.
- Switch off all electrical consumers.
- Switch off ignition and remove ignition key.
- Disconnect negative (-) battery terminal.
- When disconnecting and reconnecting battery terminals, observe all applicable Notes and torque specifications, as well as instructions on performing OBD program and electrical system function checks as specified.
- Immediately plug open connections on A/C components to prevent dirt and moisture contamination.
NOTE:
- Before carrying out any work on the A/C refrigerant system, refer to A/C refrigerant system safety measures.
- System components identified with an * must only be serviced or replaced after discharging refrigerant system.
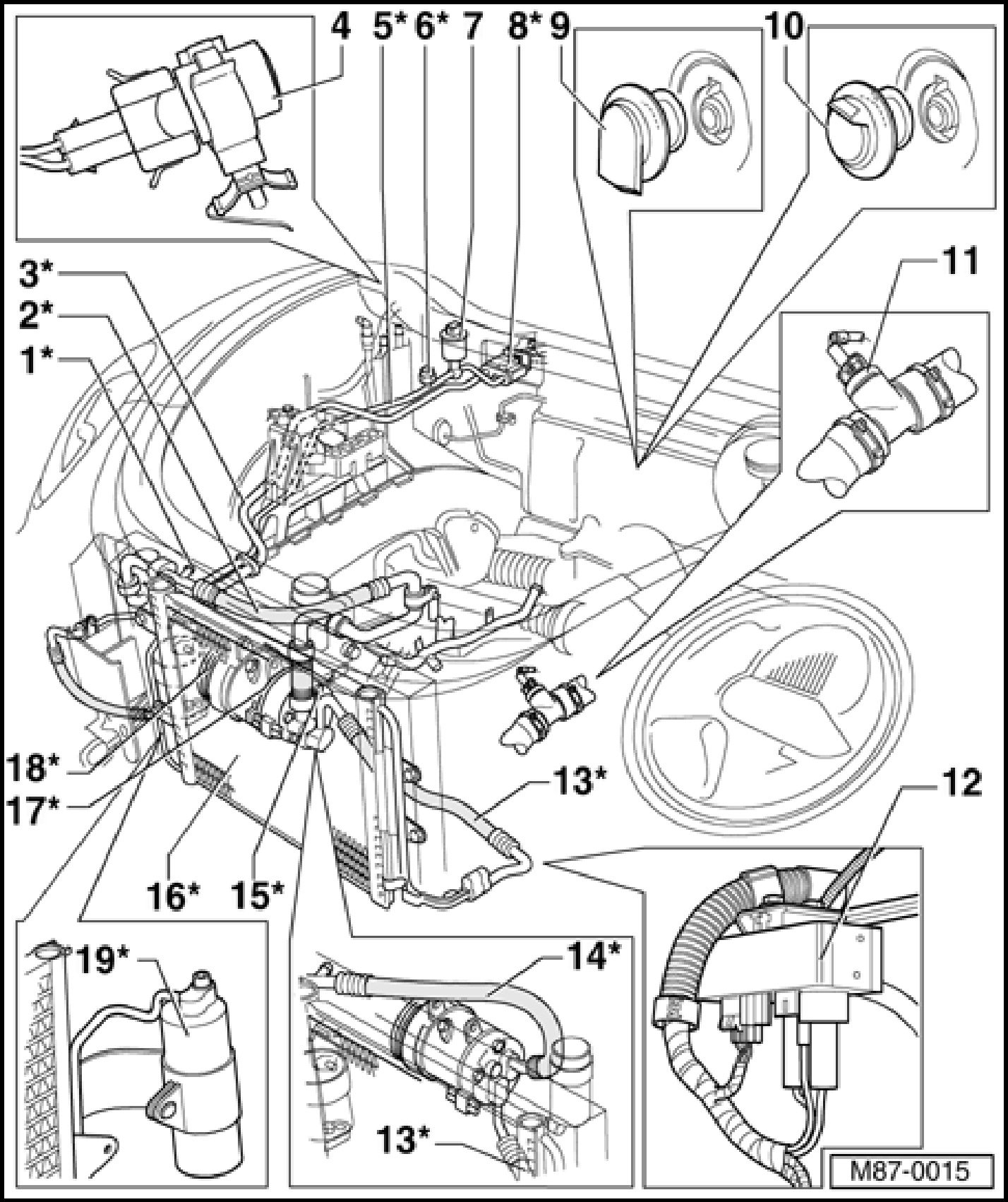
1 - Damper*
2 - Refrigerant hose*
- With damper
3 - Refrigerant pipe*
4 - Ambient Temperature Switch F38
- Switches off A/C Clutch N25 at low ambient temperatures
- Off at -1 degree C (30 degrees F)
- On at 7 degrees C (45 degrees F )
5 - Refrigerant pipe
- From receiver drier to expansion valve
6 - Low pressure service valve
- Only use Kent Moore ACR4 or equivalent
7 - A/C Pressure Switch F129 or High Pressure Sensor G65
- Depending on engine type, refrigerant systems have either an A/C Pressure Switch F129 or High Pressure Sensor G65 installed. Refer to appropriate wiring diagram.
- A/C Pressure Switch F129, checking
- High Pressure Sensor G65, checking
- Component can be removed without discharging refrigerant system
8 - Expansion valve*
9 - Evaporator water drain valve from 06.00
10 - Evaporator water drain valve through 05.00
11 - A/C Cut-Out Thermal Switch F163
- Switches off A/C Clutch N25 at excessively high coolant temperature
- Off at 119 degrees C(246 degrees F)
- On at 112 degrees C (234 degrees F)
12 - Coolant Fan control (FC) control module J293
13 - Refrigerant hose*
- From compressor to condenser
14 - Refrigerant hose
- From expansion valve to compressor
- With damper
15 - Pressure relief valve*
- On compressor
16 - Condenser*
17 - Compressor*
- SandenSD7-V16
18 - A/C Clutch N25
- Servicing.
19 - Receiver drier*
Evaporator water drain valve through 05.00, checking
- Fold cover -1- in bulkhead insulation mat -3- upwards.
- Remove drain valve -2- from opening in bulkhead -4-.
Check water drain valve as follows to ensure correct function:
- The water drain valve must not be stuck together.
- Insulation mat must not be deformed or damaged in the area of water drain valve.
- The opening in the sealing cap of the water drain valve must point downwards.
NOTE: When cover -1-is closed it must be flush with the insulation matting. If cover -1-is pushed in too far, the water drain valve sealing cap -2- can become jammed.
Evaporator water drain valve from 06.00, checking
NOTE: Design of new evaporator drain valve from 06.00 is essentially maintenance free.