Operation CHARM: Car repair manuals for everyone.
Manuals through 2025 now available!

Our trusted friends have launched a new website named LEMON, which has newer manuals. It also contains all the CHARM manuals.

LEMON is the spiritual successor to CHARM, I recommend you try it!

Link: lemon-manuals.la or lemon-manuals.org.ua

(Some people have issue connecting. LEMON is investigating. For now, use Firefox or change your DNS server)

Or, hide this message: temporarily or permanently

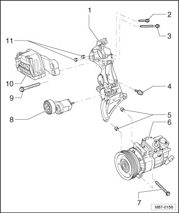
A/C Compressor and Bracket Assembly Overview






A/C Compressor and Bracket Assembly Overview

Special tools, testers and auxiliary items required

Torque wrench 5-50Nm (VAG 1331) (or 5 - 50 Nm equivalent)

The compressor bracket and related components can be removed and installed without having to open the refrigerant circuit.

If it is necessary to open the refrigerant circuit, for example when replacing compressor, first extract A/C refrigerant using recycling/recovery unit Kent-Moore ACR4 => [ A/C Refrigerant System, Discharging ] A/C Refrigerant System, Discharging.

Before carrying out any work on the A/C refrigerant system, refer to all CAUTIONS and WARNINGS in A/C refrigerant system safety measures => [ Safety Precautions ] Safety Precautions

Ribbed belt, routing

Observe length of removed bolts and reinstall accordingly.





1 Bracket

Mounting for

Generator

Compressor

Power steering pump

Coolant pump

Removing without opening refrigerant circuit:

- Remove ribbed belt.

- Remove Generator (GEN)

- Remove power steering pump.

- Remove bolts - 7 -.

- Remove A/C compressor from bracket and secure to body with appropriate material (e.g. welding wire) => [ A/C Compressor, Securing to Body ] A/C Compressor, Securing to Body

- Remove bolts - 2 - through - 4 - and remove bracket - 1 - from engine.

Installing:

- Install in reverse order of removal, noting the following:

- Loosely install and then and torque bolts to specified value.

- Route ribbed belt according to diagram

2 Socket head bolt M8x60

25 Nm

3 Socket head bolt M8x110

25 Nm

4 Hex socket bolt M8x30

25 Nm

Qty. 4

5 Dowel sleeves

Qty. 2

Ensure proper seating between bracket and A/C compressor

6 A/C compressor

With A/C Clutch (N25)

A/C Clutch (N25), servicing => [ A/C Clutch, Sanden Assembly Overview ] A/C Clutch, Sanden Assembly Overview

7 Hex bolts M8x85

25 Nm

Qty. 3

8 Tensioning roller

9 Hex bolt for engine support

40 Nm + 90 degrees

Always replace

Qty. 2

10 Engine support

11 Dowel sleeves

Qty. 2

Ribbed Belt, Routing





1. Upper idler pulley

2. Ribbed belt pulley - generator

3. Lower idler pulley

4. Ribbed belt for generator and coolant pump

5. Ribbed belt pulley - A/C compressor

6. Ribbed belt for A/C compressor

7. Ribbed belt pulley - crankshaft

8. Tensioning roller for ribbed belt for A/C compressor

9. Tensioning roller for ribbed belt for generator and coolant pump

10. Ribbed belt pulley - coolant pump