Operation CHARM: Car repair manuals for everyone.
Manuals through 2025 now available!

Our trusted friends have launched a new website named LEMON, which has newer manuals. It also contains all the CHARM manuals.

LEMON is the spiritual successor to CHARM, I recommend you try it!

Link: lemon-manuals.la or lemon-manuals.org.ua

(Some people have issue connecting. LEMON is investigating. For now, use Firefox or change your DNS server)

Or, hide this message: temporarily or permanently

Computers and Control Systems: Locations







- Component Locations: Engine Management Systems

3.6L BLV Overviews







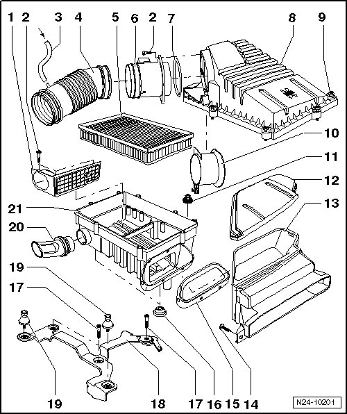
6 - From Evaporative Emission (EVAP) Canister Purge Regulator Valve -N80-

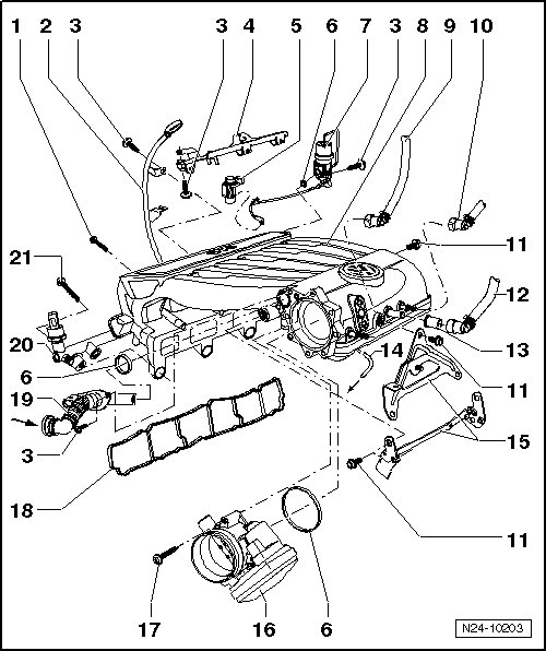
11 - Throttle Valve Control Module -J338-
The Throttle Valve Control Module -J338- is
integrated with the following:
Throttle Drive (for Electronic Power Control (EPC)) -G186-

Throttle Drive Angle Sensor 1 (for Electronic Power Control (EPC) -G187-

Throttle Drive Angle Sensor 2 (for Electronic Power Control (EPC) -G188-


13 - Connection
For crankcase ventilation
With Positive Crankcase Ventilation (PCV) Heating Element -N79-
From cylinder head cover






5 - Intake Manifold Runner Control (IMRC) Valve -N316-

7 - Vacuum Actuator
For the intake manifold flaps

9 - from Evaporative Emission (EVAP) Canister Purge Regulator Valve -N80-

10 - Leak Detection Pump (LDP) -V144-






4 - Vacuum Booster Pump Valve -N401-

5 - to Intake Manifold






2 - Fuel Rail
For cylinders 1, 3 and 5

4 - Low Fuel Pressure Sensor -G410-

12 - Cylinder 1 Fuel Injector -N30-
Cylinder 3 Fuel Injector -N32-
Cylinder 5 Fuel Injector -N83-

20 - High Pressure Pump
With Fuel Pressure Regulator Valve -N276-

22 - Cylinder 2 Fuel Injector -N31-
Cylinder 4 Fuel Injector -N33-
Cylinder 6 Fuel Injector -N84-

26 - Fuel Rail
For cylinders 2, 4 and 6

28 - Fuel Pressure Sensor -G247-






6 - Mass Air Flow (MAF) Sensor -G70-
With Intake Air Temperature (IAT) Sensor -G42-






6 - Knock Sensor (KS) 1 -G61-

7 - Camshaft Position (CMP) Sensor 2 -G163-

14 - Camshaft Position (CMP) Sensor -G40-

15 - Knock Sensor (KS) 2 -G66-






11 - Engine Coolant Temperature (ECT) Sensor -G62-


Camshaft Adjustment Valve






1 - Camshaft Adjustment Valve 1 -N205-
2 - Camshaft Adjustment Valve 1 (exhaust) -N318-





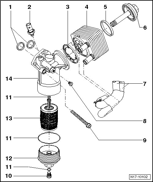
22 - Oil Level Thermal Sensor -G266-

25 - Engine Speed (RPM) Sensor -G28-






2 - Oil Pressure Switch -F1-