Operation CHARM: Car repair manuals for everyone.
Manuals through 2025 now available!

Our trusted friends have launched a new website named LEMON, which has newer manuals. It also contains all the CHARM manuals.

LEMON is the spiritual successor to CHARM, I recommend you try it!

Link: lemon-manuals.la or lemon-manuals.org.ua

(Some people have issue connecting. LEMON is investigating. For now, use Firefox or change your DNS server)

Or, hide this message: temporarily or permanently

Electronic Brake Control Module: Service and Repair






Control Module and Hydraulic Unit

Special tools, testers and auxiliary items required

Torque wrench (V.A.G 1331)

Torque wrench (V.A.G 1410)

Brake Pedal Actuator (V.A.G 1869/2)

Sealing Plug from Repair Kit 1H0 698 311 A





1 Transport protection for valve domes (foam)
2 Sealing plug M 10
3 Sealing plug M 12

Removing

Component location:

The control module is bolted to the hydraulic unit and is located at right in the engine compartment.

CAUTION!
Do not bend the brake lines near the hydraulic unit.

- Read and note the present control module coding.

- If the vehicle has a coded radio, get the radio code from the customer before beginning.

- Disconnect battery.

- Remove engine cover.

With a 3.6 L Engine

- Disconnect knock sensor and vacuum hose valve connectors at rear of intake manifold. Unclip wiring harness from retainers on coolant pipe and lay it aside.

- Remove vacuum hoses on rear of intake manifold, remove from retainers and set aside completely.

- Loosen right rear coolant pipe from left and rear of engine.

- Disconnect both coolant hoses on reservoir with hose clamps up to 25 mm dia. (3094).

- Now remove both coolant hoses on reservoir and then set them as far aside as possible with coolant pipe.

All Vehicles

- On vehicles with heat shield, remove heat shield.

- Press the red securing clip in direction of - arrow - toward the rear.





- Release and remove connector from control module in direction of - arrow -.





- Insert (V.A.G 1869/2).

- Attach bleeder hose of bleeder bottles to left-front and left-rear brake caliper bleeder valves and open bleeder valves.

- Operate brake pedal using (V.A.G 1869/2) at least 60 mm.

- Close left front and left rear bleeder valves.

- Do not remove (V.A.G 1869/2).

- Place sufficient lint-free cloths under the control module and hydraulic unit.

Make sure that brake fluid does not come in contact with the terminals.

- First, mark both brake lines from master cylinder and remove from the hydraulic unit.

- Plug the brake lines and threaded holes immediately with sealing plugs from the repair kit Part No. 1H0 698 311 A.

- Mark, unfasten and plug the remaining brake lines (brake calipers).

- Lift the hydraulic unit with control module up and out of the dampers - arrow -.





Installing

Do not remove sealing plugs at new hydraulic unit until the corresponding brake line is about to be installed.

If the sealing plugs are removed too early, brake fluid can escape and unit may not be sufficiently filled or adequately bled.

When installing the hydraulic unit, make sure the damper rubber is not pushed out of the bracket.

- Installation is in reverse order of removal.

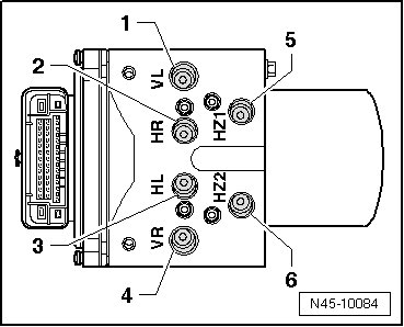
Fastening sequence of brake lines:





- Remove (V.A.G 1869/2).

- Bleed brake system. Refer to => [ Brake System, Bleeding ] Brake System, Bleeding.

- Enter radio code.

- Code the ABS Control Module (J104) with the in guided fault finding.

A steering angle sensor (G85), transverse acceleration sensor (G200), longitudinal acceleration sensor (G251) and brake pressure sensor 1 (G201) basic setting must be done.