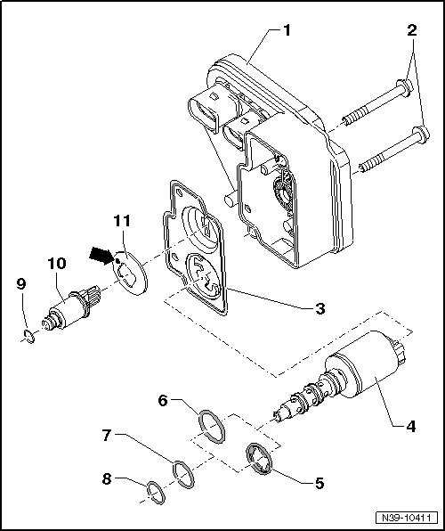
All Wheel Drive Control Module Assembly Overview
All Wheel Drive Control Module Assembly Overview
1 All wheel drive control module (J492)
• Is calibrated with the Haldex clutch control valve => [ (Item 4) ].
• Always replace together with the Haldex clutch control valve => [ (Item 4) ].
• Removing and installing, refer to => [ All Wheel Drive Control Module ] All Wheel Drive Control Module.
2 Bolt, 6 Nm
3 Cover plate
• With vulcanized gasket.
• Always replace
4 Haldex clutch control valve (N373)
• Is calibrated with the all wheel drive control module
• Always replace together with the all wheel drive control module => [ (Item 1) ].
5 Oil seal
• Redesigned version with diagonal centering lips.
• Sealing ring replaced => [ (Item 6) Oil seal ].
• Make sure the centering lip fits correctly in the groove.
• Coat with high performance Haldex clutch oil and insert.
• Always replace
6 Oil seal
• Old version
• The updated version => [ (Item 5) Oil seal ], is contained in the seal set.
7 Oil seal
• Diameter 12 mm
• For the Haldex clutch control valve.
• Coat with high performance Haldex clutch oil and insert.
• Always replace
8 Oil seal
• Diameter 11 mm
• For the Haldex clutch control valve.
• Coat with high performance Haldex clutch oil and insert.
• Always replace
9 Oil seal
• For the oil pressure/temperature sensor.
• Coat with high performance Haldex clutch oil and insert.
• Always replace
10 Oil pressure/temperature sensor (G437)
• Can be reused when replacing the all wheel drive control module.
11 Plate spring
• Location, refer to => [ Plate Spring Location ]
Plate Spring Location
Convex side with marking - arrow - faces toward the oil pressure/temperature sensor - 1 -.