Operation CHARM: Car repair manuals for everyone.
Manuals through 2025 now available!

Our trusted friends have launched a new website named LEMON, which has newer manuals. It also contains all the CHARM manuals.

LEMON is the spiritual successor to CHARM, I recommend you try it!

Link: lemon-manuals.la or lemon-manuals.org.ua

(Some people have issue connecting. LEMON is investigating. For now, use Firefox or change your DNS server)

Or, hide this message: temporarily or permanently

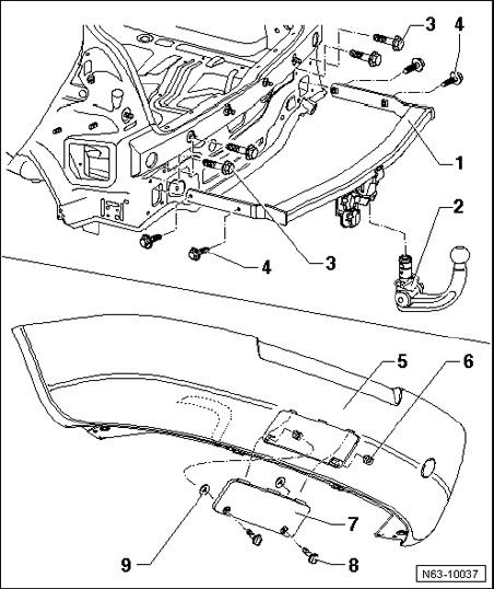
Trailer Hitch: Service and Repair



Tow Hitch, Assembly Overview

CAUTION: Bolts - 3 - are sealing threaded connections and seal the interior from exhaust gases and must be installed in any case.

NOTE:
- Tightening torques only refer to tow hitches manufactured at the factory.
- Tightening torques of other trailer hitches must be obtained from the respective manufacturer.







1 - Tow hitch
- Trailer hitch with removable ball head is depicted.

2 - Ball head
- The removable ball head is located in the left luggage compartment storage compartment.

3 - Screw
- Sealing threaded connections
- 4x
- 20 Nm

4 - Screw
- 4x
- 50 Nm + 90° turn
- Always replace bolts after loosening

5 - Cover
- Material PP/EPDM

6 - Spring clamp
- Qty. 2

7 - Cover cap
- trailer hitch

8 - Rotary fastener
- Qty. 2

9 - Retaining washer
- Qty. 2