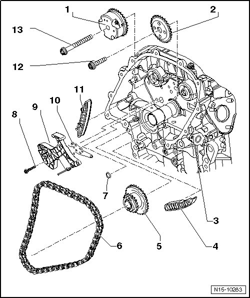
Timing Chain Assembly Overview
Timing Chain Assembly Overview
1 Cam shaft adjuster for intake camshaft
• With chain sprocket
• Do not disassemble
2 Chain sprocket for exhaust camshaft
• Not pressed on camshaft
• When removing, press off lightly if necessary
3 Cylinder Head
4 Tensioning rail
• For chain tensioner for timing chain
• Secured on cylinder block
• Oil before installing pin
5 Double chain sprocket (drive wheel)
• Securing => [ Power Take-Off Drive Chain Assembly Overview ] Service and Repair
6 Timing Chain
• Removing:
- Work procedure as for "Adjust valve timing" => [ Valve Timing, Adjusting ] Valve Timing, Adjusting.
- Remove vacuum pump => [ Brake Booster Vacuum Pump ] Brake Booster Vacuum Pump.
- Mark direction of travel.
• Note when installing:
- Place on in original direction of travel.
- Chain must lie correctly in tensioning and glide tracks.
- Adjust valve timing => [ Valve Timing, Adjusting ] Valve Timing, Adjusting.
7 Strainer
• Replace
8 10 Nm
9 Chain tensioner
• secure with pin (T03006)
10 Gasket
• Replace
11 Guide rail
• Oil before installing pin
12 60 Nm + 90° (1/4 turn) additional turn
• Replace
13 60 Nm + 90° (1/4 turn) additional turn
• Replace