A/C Compressor
A/C Compressor
Special tools, testers and auxiliary items required
• Torque wrench (V.A.G 1331/) (5 to 50 Nm)
• A/C service station (VAS 6007A) or succeeding model.
Removing
• An engine control module software update is only necessary with engine code BSE 1.6L 75 kW. This software version is only available online through SVM (Software Versions Management) and can be flashed using the procedure code.
• Flush the refrigerant circuit with R134a refrigerant under the following conditions:
• In the event of dirt or other contamination in the refrigerant circuit.
• If vacuum reading is not maintained on evacuating a leak-free refrigerant circuit (pressure build-up due to moisture in refrigerant circuit).
• If refrigerant circuit has been left open for longer than normal (e.g. following an accident).
• If pressure and temperature measurements in the refrigerant circuit indicate the likelihood of moisture
• In the event of doubt about the amount of refrigerant oil in the circuit.
• The A/C compressor had to be replaced on account of internal damage (e.g. noise or no output).
The procedure for flushing with R134a refrigerant is described in ELSA in the repair information Heating/Ventilation/Air Conditioning; Air Conditioning with R134a refrigerant; Flushing the Refrigerant Circuit from Contaminants.
Information for repairing vehicles with air conditioning and working with refrigerant can be found in ELSA under Heating-Ventilation-Air Conditioning; Air Conditioning with R134a Refrigerant; Technical Data.
Information for special tools and equipment when repairing vehicles with air conditioning can be found in ELSA under Heating-Ventilation-Air Conditioning; Air Conditioning with R134a Refrigerant; Technical Data.
- Extract refrigerant e.g. using A/C service station (VAS 6007A), only then open the refrigerant circuit. Observe notes => [ Refrigerant Circuit ] Refrigerant Circuit.
- Remove the noise insulation under the engine
- Remove front right wheel housing liner
- Remove the ribbed belt
CAUTION!
There is a danger of ice-up.
Refrigerant leaks out if refrigerant circuit is not discharged.
Refrigerant must be extracted before opening refrigerant circuit. If refrigerant circuit is not opened within 10 minutes of extraction, pressure may form in refrigerant circuit due to evaporation. Extract refrigerant once more.
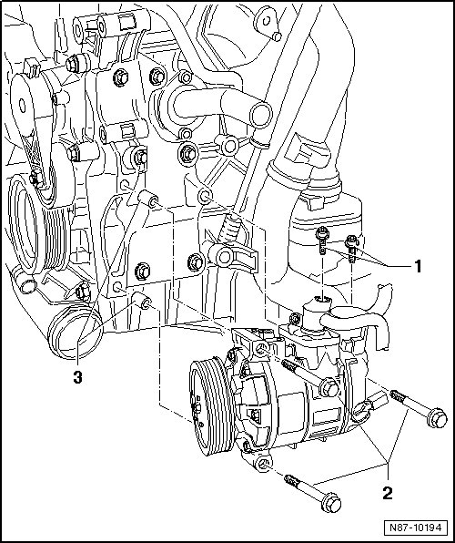
- Remove the bolts (22 Nm ± 1 Nm) - 1 - from the A/C compressor and disconnect the refrigerant lines from the A/C compressor.
- Remove the hex bolts (25 Nm) - 2 - and the A/C compressor.
Installing
• Make sure alignment bushings - 3 - are seated correctly.
• Pay attention to notes for installing A/C compressor => [ A/C Compressor ] Description and Operation.