Operation CHARM: Car repair manuals for everyone.
Manuals through 2025 now available!

Our trusted friends have launched a new website named LEMON, which has newer manuals. It also contains all the CHARM manuals.

LEMON is the spiritual successor to CHARM, I recommend you try it!

Link: lemon-manuals.la or lemon-manuals.org.ua

(Some people have issue connecting. LEMON is investigating. For now, use Firefox or change your DNS server)

Or, hide this message: temporarily or permanently

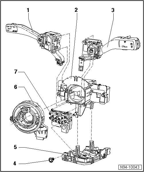
Steering Column Switch, Assembly Overview






Steering Column Switch, Assembly Overview





1 - Turn Signal Switch

Observe removal and installation sequence, refer to=> [ Steering Column Switch Components ] Steering Column Switch

Removing and installing, refer to=> [ Turn Signal Switch ] Steering Column Switch

"Turn signal switch" consists of the components Turn Signal switch (E2), Headlamp Dimmer/Flasher Switch (E4) and depending on equipment (CCS) Cruise Control Switch (E45)

In the illustration, the "turn signal switch" is depicted without Cruise Control Switch (E45)

2 - Base carrier for steering column switches

Observe removal and installation sequence, refer to => [ Steering Column Switch Components ] Steering Column Switch

Removing and installing, refer to=> [ Steering Column Switch Base Plate ] Steering Column Switch

3 - Windshield Wiper Switch ( E)

Observe removal and installation sequence, refer to=> [ Steering Column Switch ] Initial Inspection and Diagnostic Overview

Removing and installing, refer to=> [ Windshield Wiper Switch ] Steering Column Switch

4 - Bolt

5 - Steering Column Electronic Systems Control Module (J527)

Observe removal and installation sequence, refer to=> [ Steering Column Switch ] Initial Inspection and Diagnostic Overview

Removing and installing, refer to=> [ Steering Column Electronic Systems Control Module ] Steering Column Switch

Coding, refer to=> [ Steering Column Electronic Systems Control Module, Coding ] Programming and Relearning

6 - Airbag Spiral Spring/Return Spring With Slip Ring (F138)

Observe removal and installation sequence, refer to => [ Steering Column Switch ] Initial Inspection and Diagnostic Overview

Removing and installing, refer to=> [ Airbag Spiral Spring/Return Spring with Slip Ring ] Steering Column Switch

7 - Steering Angle Sensor (G85 )

Observe removal and installation sequence, refer to=> [ Steering Column Switch ] Initial Inspection and Diagnostic Overview

Removing and installing, refer to=> [ Steering Angle Sensor ] Steering Column Switch

Basic setting, refer to=> [ Steering Angle Sensor, Basic Setting ] Testing and Inspection