Operation CHARM: Car repair manuals for everyone.
Manuals through 2025 now available!

Our trusted friends have launched a new website named LEMON, which has newer manuals. It also contains all the CHARM manuals.

LEMON is the spiritual successor to CHARM, I recommend you try it!

Link: lemon-manuals.la or lemon-manuals.org.ua

(Some people have issue connecting. LEMON is investigating. For now, use Firefox or change your DNS server)

Or, hide this message: temporarily or permanently

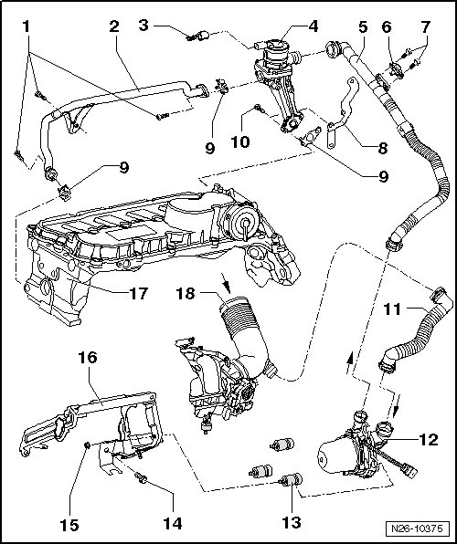
Air Injection: Service and Repair






Secondary Air Injection System Assembly Overview





1 Bolt

10 Nm

2 Connecting Pipe

Observe the tightening sequence, refer to.

Only with engine codes: BGP, BGQ and CBUA.

3 Connector

For the AIR solenoid valve.

4 Secondary Air Injection (AIR) Solenoid Valve (N112)

Do not disassemble.

Checking, refer to => [ Secondary Air Injection Solenoid Valve, Checking ] Secondary Air Injection Solenoid Valve, Checking.

Removing and installing, refer to => [ Secondary Air Injection Solenoid Valve ] Secondary Air Injection Solenoid Valve.

5 Pressure Tube

Ensure the pipe is securely seated.

To disengage, squeeze together the securing ring.

6 Secondary Air Injection (AIR) Sensor 1 (G609 )

Installed from MY 2009.

7 Bolt

2 Nm

Installed from MY 2009

8 Bracket

9 Seal

Allocation, refer to the parts catalog.

10 Bolt

10 Nm

11 Intake Tube

For the AIR pump.

12 Secondary Air Injection (AIR) Pump Motor (V101 )

Removing and installing, refer to => [ Secondary Air Injection Pump Motor ] Service and Repair.

13 Rubber Bushing

14 Bolt

25 Nm

15 Nut

10 Nm

16 Intake Manifold Support

With mount for the AIR pump motor.

17 Cylinder Head

18 Intake Tube

Connecting Pipe Bolt Tightening Sequence





- Replace all connecting pipe- A - seals.

- Install all bolts only hand tight.

- Tighten bolts - 1 - first, then bolt - 2 - and then bolt - 3 - to 10 Nm.