Operation CHARM: Car repair manuals for everyone.
Manuals through 2025 now available!

Our trusted friends have launched a new website named LEMON, which has newer manuals. It also contains all the CHARM manuals.

LEMON is the spiritual successor to CHARM, I recommend you try it!

Link: lemon-manuals.la or lemon-manuals.org.ua

(Some people have issue connecting. LEMON is investigating. For now, use Firefox or change your DNS server)

Or, hide this message: temporarily or permanently

Subframe, Servicing



Subframe, Servicing

Special tools, testers and auxiliary items required
^ Tensioning strap T10038
^ Locating pins T10096
^ Engine/transmission jack V.A.G. 1383 A
^ Hydraulic Press VAS 6178 with Pressure Head T10205/13
^ Hollow piston cylinder VAS 6179
^ Assembly tool T10356

- Remove rear wheels.
- Remove coil springs.
- Disconnect electrical connections between rear axle and body.
- Remove stabilizer bar.





- Now secure vehicle on both sides to lifting arms on hoist with straps T10038.

CAUTION! If vehicle is not secured, it could slide off of hoist.





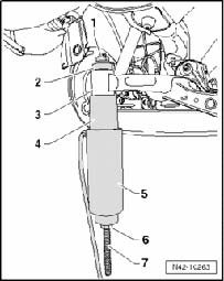
- Place engine/transmission jack V.A.G. 1383 A with universal transmission support V.A.G. 1359/2 below subframe and secure with strap.





- Remove hex head bolts - 1 - and - 2 - on both sides.

Note: For the sake of a better illustration, only the left side of the vehicle is shown.

To locate subframe, locating fixtures T10096 must be screwed in one after the other on both sides of vehicle at positions - 1 - and - 2 -.





- Location position of subframe with locating fixtures T10096.

Note: Locating pins T10096 must only be tightened to maximum of 20 Nm, otherwise threads of locating pins may be damaged.

- Replace subframe bolts one after the other on both sides using locating fixtures T10096 and tighten them to 20 Nm.

Position of subframe is now secured.
- Lower subframe approximately 10 cm using engine/transmission jack V.A.G. 1383 A.

Front bonded rubber bushing, removing





- Install special tools as depicted in the illustration.
1- Nut T10263/5
2- Press piece T10356/1
3- Subframe
4- Tube T10356/2
5- Hydraulic Press VAS 6178 with Pressure Head T10205/13
6- Nut T10263/5
7- Spindle T10263/4
- Pretension special tools.
- Pull out bonded rubber bushing by operating pump.

Note:
^ The bearing outer race is sheared off when the bonded rubber bushing is removed. There is a loud crack when this happens.
^ After removing the bonded rubber bushing, it must be removed from the Tube T10356/2 by tapping lightly with a hammer.

Pull in front bonded rubber bushing





- Insert special tools with bonded rubber bushing into subframe as illustrated.
1- Nut T10263/5
2- Guide Piece T10356/3 with side A toward subframe
3- Subframe
4- Bonded rubber bushing
5- Thrust Piece T10356/4 with side A toward bonded rubber bushing
6- Tube T10356/2
7- Hydraulic Press VAS 6178 with Pressure Head T10205/13
8- Nut T10263/5
9- Spindle T10263/4
- Pretension special tool with bonded rubber bushing.
- Carefully insert bonded rubber bushing by operating pump until collar lies on subframe "without a gap".

Pulling out rear bonded rubber bushing





- Install special tools as depicted in the illustration.
1- Nut T10263/5
2- Press piece T10356/5
3- Subframe
4- Tube T10356/6
5- Hydraulic Press VAS 6178 with Pressure Head T10205/13
6- Nut T10263/5
7- Spindle T10263/4
- Pretension special tools.
- Pull out bonded rubber bushing by operating pump.

Note:
^ The bearing outer race is sheared off when the bonded rubber bushing is removed. There is a loud crack when this happens.
^ After removing the bonded rubber bushing, it must be removed from the Tube T10356/2 by tapping lightly with a hammer.

Pulling in rear bonded rubber bushing





- Insert special tools with bonded rubber bushing into subframe as illustrated.
1- Nut T10263/5
2- Guide Piece T10356/3 with side B toward subframe
3- Subframe
4- Bonded rubber bushing
5- Thrust Piece T10356/4 with side B toward bonded rubber bushing
6- Hydraulic Press VAS 6178 with Pressure Head T10205/13
7- Nut T10263/5
8- Spindle T10263/4
- Pretension special tool with bonded rubber bushing.
- Carefully insert bonded rubber bushing by operating pump until collar lies on subframe "without a gap".

Further installation is in reverse sequence to removal. Observe the following when doing so:
- Bleed brake system.

Tightening Specifications