Operation CHARM: Car repair manuals for everyone.
Manuals through 2025 now available!

Our trusted friends have launched a new website named LEMON, which has newer manuals. It also contains all the CHARM manuals.

LEMON is the spiritual successor to CHARM, I recommend you try it!

Link: lemon-manuals.la or lemon-manuals.org.ua

(Some people have issue connecting. LEMON is investigating. For now, use Firefox or change your DNS server)

Or, hide this message: temporarily or permanently

Fastener Tightening Specifications



Fastener Tightening Specifications








Accessory Bracket Bolt Tightening Sequence and Specification
- First tighten aligning bolts - 2 and 4 - hand tight.
- Then tighten bolts - 1, 3 and 5 - hand tight.
- Now tighten all bolts to a tightening specifications of 23 Nm in a diagonal sequence.





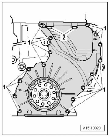
Sealing Flange, Transmission Side, Bolt Tightening Sequence and Specification
- Tighten bolts in 3 stages as follows:

A - Tighten the bolts - 1 - to 5 Nm.
B - Tighten the bolts - 2 - to 23 Nm.
C - Tighten the bolts - 1 - to 10 Nm.