Operation CHARM: Car repair manuals for everyone.
Manuals through 2025 now available!

Our trusted friends have launched a new website named LEMON, which has newer manuals. It also contains all the CHARM manuals.

LEMON is the spiritual successor to CHARM, I recommend you try it!

Link: lemon-manuals.la or lemon-manuals.org.ua

(Some people have issue connecting. LEMON is investigating. For now, use Firefox or change your DNS server)

Or, hide this message: temporarily or permanently

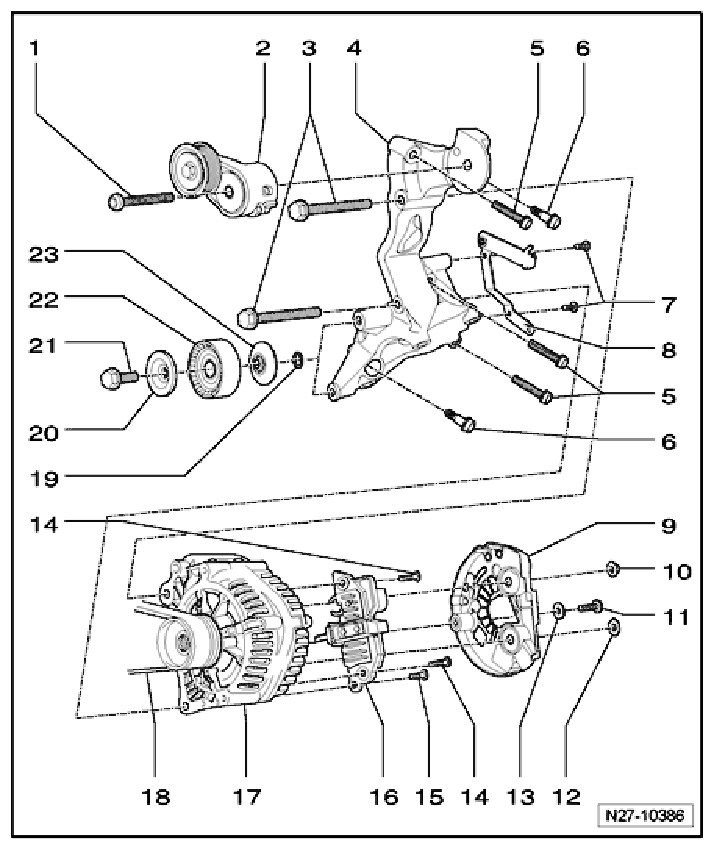
Generator Assembly Overview



Generator Assembly Overview (BLV)

CAUTION: When disconnecting and connecting battery, the procedure must be followed as described.

NOTE: Test the generator.







1 - Multi-point socket head bolt
- M10x85
- 50 Nm
2 - Tensioner for ribbed belt
3 - Collar bolts
- M8x90
- 23 Nm
4 - Bracket
- For generator and A/C compressor
- Tightening sequence
5 - Socket-head bolt
- M8x50
- 23 Nm
6 - Socket head fitting bolts
- M8x28
- 23 Nm
7 - Hex socket head collar bolts
- M6x16
- 8 Nm
8 - Bracket
- for Recirculation Pump V55
9 - Protective cap
10 - Hex head collar nut
- M8
11 - Phillips head screw
- M5x21
- 4.5 Nm
12 - Flat hex nut
- M8
13 - Washer
- M5
14 - Phillips head screws
- M4x19
- 2 Nm
15 - Phillips head screw
- M4x13
- 2 Nm
16 - Voltage regulator
- Removing and installing voltage regulator
17 - Generator
- Generator, removing and installing.
18 - Ribbed belt
19 - O-ring
20 - Dust cap
21 - Collar bolts
- M10x36
- 40 Nm
22 - Idler pulley
- With grooved ball bearing
23 - Dust cap