Operation CHARM: Car repair manuals for everyone.
Manuals through 2025 now available!

Our trusted friends have launched a new website named LEMON, which has newer manuals. It also contains all the CHARM manuals.

LEMON is the spiritual successor to CHARM, I recommend you try it!

Link: lemon-manuals.la or lemon-manuals.org.ua

(Some people have issue connecting. LEMON is investigating. For now, use Firefox or change your DNS server)

Or, hide this message: temporarily or permanently

3.6L BLV, CNNA Overviews







Engine Management System

3.6L BLV, CNNA Overviews


Intake Manifold Assembly Overview





6 - From Evaporative Emission (EVAP) Canister Purge Regulator Valve -N80-

11 - Throttle valve control module -J338-
The Throttle Valve Control Module -J338- is
integrated with the following:
Throttle Drive (for Electronic Power Control (EPC)) -G186-

Throttle Drive Angle Sensor 1 (for Electronic Power Control (EPC) -G187-

Throttle Drive Angle Sensor 2 (for Electronic Power Control (EPC) -G188-


13 - Connection
For crankcase ventilation
With Positive Crankcase Ventilation (PCV) Heating Element -N79-
From cylinder head cover

Fuel Rail with High Pressure Pump and Fuel Injectors
Assembly Overview






2 - Fuel Rail
For cylinders 1, 3 and 5
Cylinders 2, 4 and 6 location

4 - Low Fuel Pressure Sensor -G410-

12 - Cylinder 1 Fuel Injector - -N30-, -N32- and -N83-
Cylinder 2 Fuel Injector location

20 - High Pressure Pump
With Fuel Pressure Regulator Valve -N276-

22 - Cylinder 2 Fuel Injector - -N31-, -N33- and -N84-

26 - Fuel Rail
For cylinders 2, 4 and 6

28 - Fuel Pressure Sensor -G247-

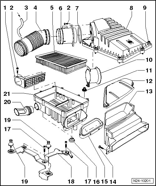
Air Filter Assembly Overview





6 - Mass Air Flow (MAF) Sensor -G70-
With Intake Air Temperature (IAT) Sensor -G42-

Chain Drive Assembly Overview





1 - Ignition Coil with Power Output Stage -N70, N127, N291, N292, N323, N324-

6 - Knock Sensor (KS) 1 -G61-

7 - Camshaft Position (CMP) Sensor 2 -G163-

14 - Camshaft Position (CMP) Sensor -G40-

15 - Knock Sensor (KS) 2 -G66-

Cooling System Overview - Engine Side





11 - Engine Coolant Temperature (ECT) Sensor -G62-

23 - Recirculation Pump -V55-
Attached to the auxiliary component bracket
Cooling fans and pump location => [ Cooling Fans and Pump ] Locations

Oil Pan and Oil Pump Assembly Overview





22 - Oil Level Thermal Sensor -G266-

25 - Engine Speed (RPM) Sensor -G28-

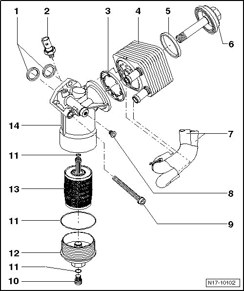
BLV Oil Filter Housing Assembly Overview





2 - Oil Pressure Switch -F1-

CNNA Oil Filter Housing Assembly Overview





11 - Oil pressure switch -F1-


Camshaft Adjustment Valve






1 - Camshaft Adjustment Valve 1 -N205-
2 - Camshaft Adjustment Valve 1 (exhaust) -N318-

Leak Detection Pump






2 - Leak Detection Pump (LDP) -V144-
- Above right rear wheel housing liner