Operation CHARM: Car repair manuals for everyone.
Manuals through 2025 now available!

Our trusted friends have launched a new website named LEMON, which has newer manuals. It also contains all the CHARM manuals.

LEMON is the spiritual successor to CHARM, I recommend you try it!

Link: lemon-manuals.la or lemon-manuals.org.ua

(Some people have issue connecting. LEMON is investigating. For now, use Firefox or change your DNS server)

Or, hide this message: temporarily or permanently

2.0L CRZA







Engine Management System

2.0L CRZA




Engine Block Overview







1 - Knock sensor 1 -G61-

3 - Knock sensor 2 -G66-

14 - Engine speed sensor -G28-



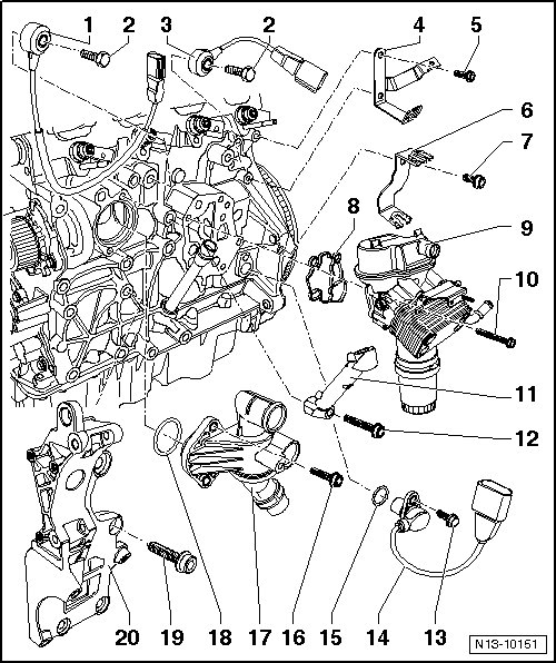
Cylinder Head Overview







11 - Camshaft adjustment valve 1 -N205-

25 - Camshaft position sensor -G40-



Engine coolant temperature sensor -G62-







10 - Engine coolant temperature sensor -G62-



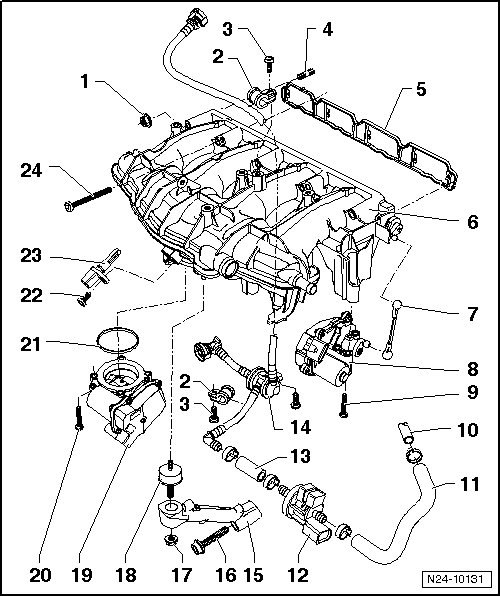
Intake Manifold Overview







8 - Intake flap motor -V157- with Intake manifold runner position sensor -G336-

12 - EVAP canister purge regulator valve 1 -N80-

19 - Throttle valve control module -J338-
Contains: EPC throttle drive -G186- , EPC throttle drive angle sensor 1 -G187- and EPC throttle drive angle sensor 2 -G188-

23 - Intake air temperature sensor -G42-



Fuel Rail and Injectors Overview







1 - Fuel Injectors
Cylinder 1 fuel injector -N30-

Cylinder 2 fuel injector -N31-

Cylinder 3 fuel injector -N32-

Cylinder 4 fuel injector -N33-


19 - Fuel pressure sensor -G247-



Mass airflow sensor -G70-







2 - Mass airflow sensor -G70- connector
Located in Engine Cover



Charge Air Cooler - Turbocharger Overview







18 - Charge air pressure sensor -G31-

25 - Turbocharger recirculation valve -N249-






19 - Wastegate bypass regulator valve -N75-



Oil Filter Adapter Overview







2 - Oil pressure switch -F1-



Oil Pan







1 - Oil level thermal sensor -G266- connector


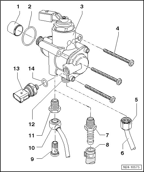
High Pressure Pump Overview







3 - Fuel pressure regulator valve -N276-

13 - Low fuel pressure sensor -G410-



Leak detection pump -V144-







2 - Leak detection pump -V144- connector
Located behind the right rear wheel housing liner.