Operation CHARM: Car repair manuals for everyone.
Manuals through 2025 now available!

Our trusted friends have launched a new website named LEMON, which has newer manuals. It also contains all the CHARM manuals.

LEMON is the spiritual successor to CHARM, I recommend you try it!

Link: lemon-manuals.la or lemon-manuals.org.ua

(Some people have issue connecting. LEMON is investigating. For now, use Firefox or change your DNS server)

Or, hide this message: temporarily or permanently

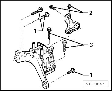
Engine Assembly - Fastener Tightening Specifications






Fastener Tightening Specifications






Engine Mount





1. = 40 Nm + an additional 90° (1/4) turn (Note 1)

2. = 20 Nm + an additional 90° (1/4) turn (Note 1)

3. = 60 Nm + an additional 90° (1/4) turn (Note 1)


Transmission Mount





A = 40 Nm + an additional 90° (1/4) turn (Note 1)

B = 60 Nm + an additional 90° (1/4) turn (Note 1)

Pendulum Support





First secure the pendulum support to the transmission and then to the subframe.

A Strength category 8.8: = 40 Nm + an additional 90° (1/4) (Note 1)
A Strength category 10.9: = 50 Nm + an additional 90° (1/4) (Note 1)
B = 100 Nm + an additional 90° (1/4) turn (Note 1)

Removing: First remove the bolt - B -, then the bolts - A -.

Installing: First install the bolts - A -, then the bolt - B -.

(Note 1) Always replace