Operation CHARM: Car repair manuals for everyone.
Manuals through 2025 now available!

Our trusted friends have launched a new website named LEMON, which has newer manuals. It also contains all the CHARM manuals.

LEMON is the spiritual successor to CHARM, I recommend you try it!

Link: lemon-manuals.la or lemon-manuals.org.ua

(Some people have issue connecting. LEMON is investigating. For now, use Firefox or change your DNS server)

Or, hide this message: temporarily or permanently

2.5L CBTA, CBUA Component Overview







Component Locations: Engine Management System

2.5L CBTA, CBUA Component Overview


2.5L CBTA, CBUA Ignition Component Overview => [ 2.5L CBTA, CBUA Ignition Component Overview ]

2.5L CBTA, CBUA - Knock Sensor Component Overview => [ 2.5L CBTA, CBUA - Knock Sensor Component Overview ]

2.5L CBTA, CBUA - Sealing Flange and Control Housing Cover Component
Overview => [ 2.5L CBTA, CBUA - Sealing Flange and Control Housing Cover Component
Overview ]

2.5L CBTA, CBUA - Cylinder Head and Cover Component Overview => [ 2.5L CBTA, CBUA - Cylinder Head and Cover Component Overview ]

2.5L CBTA, CBUA - Oil Pan and Oil Pump Component Overview => [ 2.5L CBTA, CBUA - Oil Pan and Oil Pump Component Overview ]

2.5L CBTA, CBUA - Intake Manifold Component Overview => [ 2.5L CBTA, CBUA - Intake Manifold Component Overview ]



2.5L CBTA, CBUA Ignition Component Overview







1 - Fuel Injector -N30, N31, N32, N33, N83-

2 - Knock sensor 1 -G61- / Knock sensor 2 -G66- => [ 2.5L CBTA, CBUA - Knock Sensor Component Overview ]

3 - Secondary air injection solenoid valve -N112-

4 - Heated oxygen sensor -G39- => [ 2.5L CBTA ,CBUA - Exhaust Manifold Component Overview ] Locations / Oxygen sensor in bank 1 center three way catalytic converter -G465- / Oxygen sensor after three way catalytic converter -G130-

5 - Engine speed sensor -G28- => [ 2.5L CBTA, CBUA - Sealing Flange and Control Housing Cover Component Overview ]

6 - Ignition Coils with Power Output Stage N70, N127, N291, N292 and N323

7 - Camshaft adjustment valve 1 -N205- => [ 2.5L CBTA, CBUA - Cylinder Head and Cover Component Overview ]

8 - Secondary air injection pump motor -V101- (Engine Code CBUA only)

9 - Engine coolant temperature sensor -G62-

10 - Motronic engine control module -J220-

11 - E-Box, Left Side of the Engine Compartment


2.5L CBTA, CBUA - Knock Sensor Component Overview






3 - Knock sensor 1 -G61-

9 - Knock sensor 2 -G66-


2.5L CBTA, CBUA - Sealing Flange and Control Housing Cover Component
Overview








15 - Engine speed sensor -G28-


2.5L CBTA, CBUA - Cylinder Head and Cover Component Overview






13 - Camshaft adjustment valve 1 -N205-

16 - Camshaft position sensor -G40-


2.5L CBTA, CBUA - Oil Pan and Oil Pump Component Overview






1 - Oil pressure switch -F1-

2 - Reduced oil pressure switch -F378-

3 - Oil pressure regulation valve -N428-


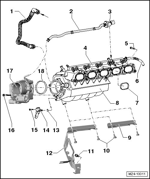
2.5L CBTA, CBUA - Intake Manifold Component Overview






3 - EVAP canister purge regulator valve 1 -N80-

14 - Manifold absolute pressure sensor -G71- with Intake air temperature sensor -G42-

17 - Throttle valve control module -J338- with EPC throttle drive -G186- / EPC throttle drive angle sensor 1 -G187- and EPC throttle drive angle sensor 2 -G188-