Operation CHARM: Car repair manuals for everyone.
Manuals through 2025 now available!

Our trusted friends have launched a new website named LEMON, which has newer manuals. It also contains all the CHARM manuals.

LEMON is the spiritual successor to CHARM, I recommend you try it!

Link: lemon-manuals.la or lemon-manuals.org.ua

(Some people have issue connecting. LEMON is investigating. For now, use Firefox or change your DNS server)

Or, hide this message: temporarily or permanently

3.6L CDVB - Component Overview







Component Locations: Engine Management System

3.6L CDVB - Component Overview


3.6L CDVB - Air Filter Housing Overview => [ 3.6L CDVB - Air Filter Housing Component Overview ]

3.6L CDVB - Intake Manifold Overview => [ 3.6L CDVB - Intake Manifold Component Overview ]

3.6L CDVB - Fuel Rail and Injectors Overview => [ 3.6L CDVB - Fuel Rail and Injectors Component Overview ]

3.6L CDVB - Ignition and Lubrication Overview => [ 3.6L CDVB - Ignition and Lubrication Component Overview ]



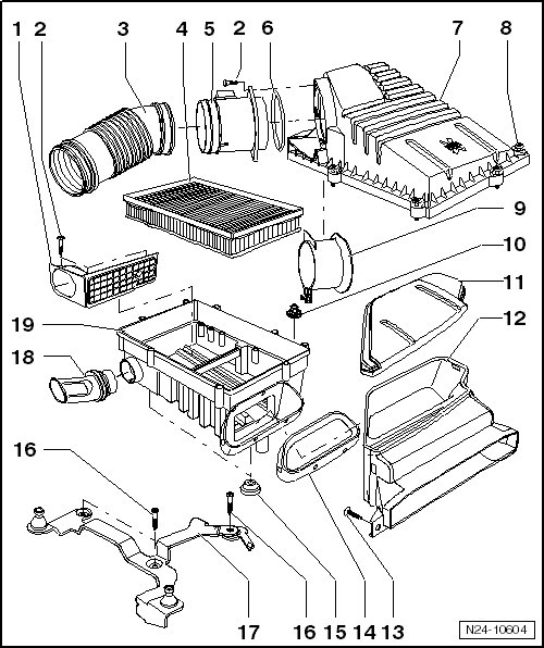
3.6L CDVB - Air Filter Housing Component Overview







5 - Mass airflow sensor -G70- with Intake air temperature sensor -G42-


3.6L CDVB - Intake Manifold Component Overview






10 - Throttle valve control module -J338- with EPC throttle drive -G186- , EPC throttle drive angle sensor 1 -G187- and EPC throttle drive angle sensor 2 -G188-

13 - Vent Hose with Positive crankcase ventilation heating element -N79-


3.6L CDVB - Fuel Rail and Injectors Component Overview






1 - Low fuel pressure sensor -G410-

19 - Fuel pressure sensor -G247-


Fuel pressure regulator valve -N276-






Arrow - Fuel pressure regulator valve -N276-

3.6L CDVB - Ignition and Lubrication Component Overview






1 - Ignition Coil with Power Output Stage

6 - Knock sensor 1 -G61-
Installed location: Exhaust side of the cylinder block.

12 - Camshaft position sensor 2 -G163-

14 - Camshaft position sensor -G40- => [ Camshaft Adjusters ] See Image Below.

15 - Knock sensor 2 -G66-
Installed location: Intake side of the cylinder block.


Camshaft Adjusters






1 - Camshaft position sensor -G40-
2 - Camshaft adjustment valve 1 -N205-
3 - Camshaft position sensor 2 -G163-
4 - Exhaust camshaft adjustment valve 1 -N318-

Engine speed sensor -G28-






1 - Engine speed sensor -G28-

Oil pressure switch -F1-






11 - Oil pressure switch -F1-

Oil level thermal sensor -G266-






19 - Oil level thermal sensor -G266-