Operation CHARM: Car repair manuals for everyone.
Manuals through 2025 now available!

Our trusted friends have launched a new website named LEMON, which has newer manuals. It also contains all the CHARM manuals.

LEMON is the spiritual successor to CHARM, I recommend you try it!

Link: lemon-manuals.la or lemon-manuals.org.ua

(Some people have issue connecting. LEMON is investigating. For now, use Firefox or change your DNS server)

Or, hide this message: temporarily or permanently

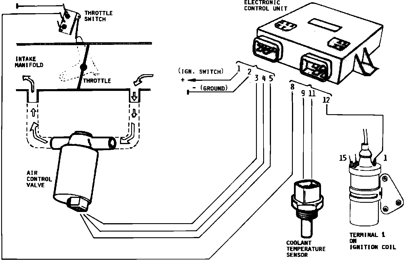
Constant Idle Speed System

Fig. 1 Constant Idle Speed System:





This system, Fig. 1, controls the engine at or near idle by regulating the air control valve. The system is composed of an electronic control unit, air control valve, throttle switch, coolant temperature sensor and the distributor, through the ignition coil.
The electronic control unit processes information on engine temperature, engine speed and throttle position.
A regulated flow with A/C on mode is added to provide a faster idle speed when the air conditioner is running.


ELECTRONIC CONTROL UNIT

The electronic control unit receives information from the coolant temperature sensor to provide higher idle speed at low temperature. Terminal 1 on ignition coil provides information on engine speed. A microswitch on the throttle provides input when the throttle control is in idle position. Some models have two extra terminals to control idle speed when the A/C system is on. The electronic control unit is located below the Oxygen Sensor Feedback system control unit, in front of right front door.


AIR CONTROL VALVE

The air control valve bypasses air around the throttle valve. A small electric motor rotates clockwise or counterclockwise, depending on the signal from the electronic control module signal.


THROTTLE SWITCH

The throttle actuates a microswitch which controls a circuit in the electronic control unit when the throttle reaches idle position.


Fig. 2 Microswitch:





MICROSWITCH

The microswitch is located at the throttle, Fig. 2. Under normal operating conditions, the electrically transduced vacuum signal is transmitted to the ECM and the circuit when the microswitch is open. With the throttle closed, the circuit is grounded.


COOLANT TEMPERATURE SENSOR

As engine coolant temperature increases, the coolant temperature sensor resistance decreases, giving an analog temperature signal to the electronic control module.