Operation CHARM: Car repair manuals for everyone.
Manuals through 2025 now available!

Our trusted friends have launched a new website named LEMON, which has newer manuals. It also contains all the CHARM manuals.

LEMON is the spiritual successor to CHARM, I recommend you try it!

Link: lemon-manuals.la or lemon-manuals.org.ua

(Some people have issue connecting. LEMON is investigating. For now, use Firefox or change your DNS server)

Or, hide this message: temporarily or permanently

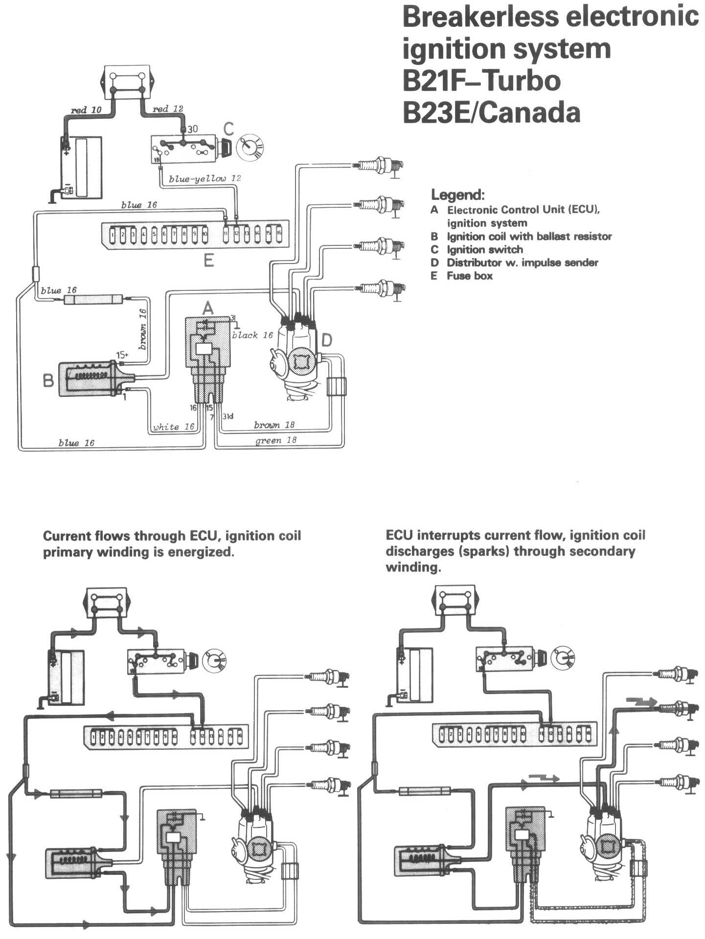
Breakerless Electronic Ignition System

Locations/Connector Views:




Diagrams:




Legend:
A Electronic Control Unit (ECU), ignition system
B Ignition coil with ballast resistor
C Ignition switch
D Distributor with impulse sender
E Fine box