Operation CHARM: Car repair manuals for everyone.
Manuals through 2025 now available!

Our trusted friends have launched a new website named LEMON, which has newer manuals. It also contains all the CHARM manuals.

LEMON is the spiritual successor to CHARM, I recommend you try it!

Link: lemon-manuals.la or lemon-manuals.org.ua

(Some people have issue connecting. LEMON is investigating. For now, use Firefox or change your DNS server)

Or, hide this message: temporarily or permanently

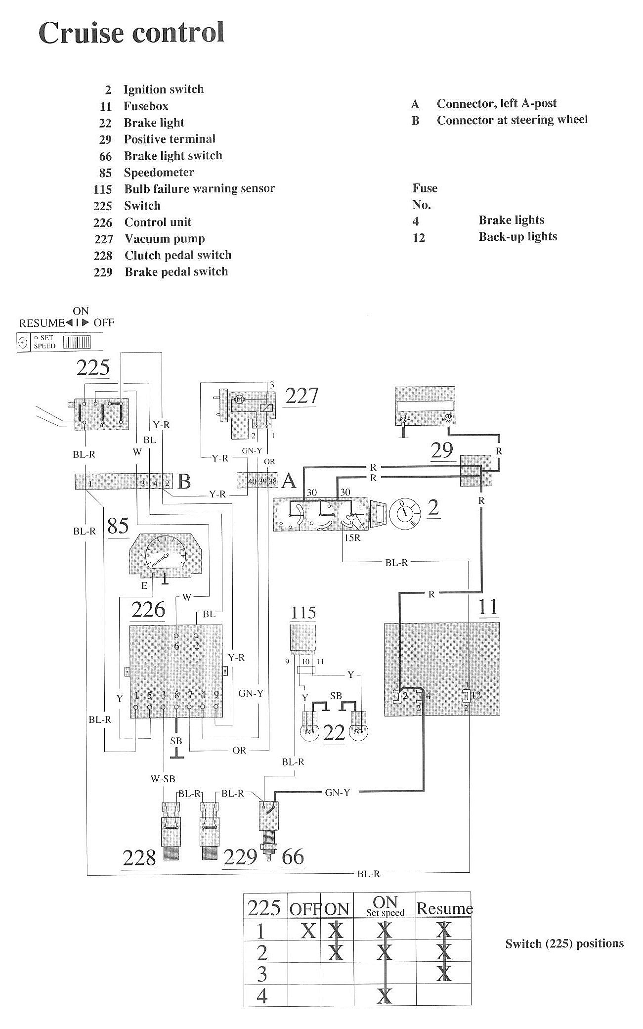
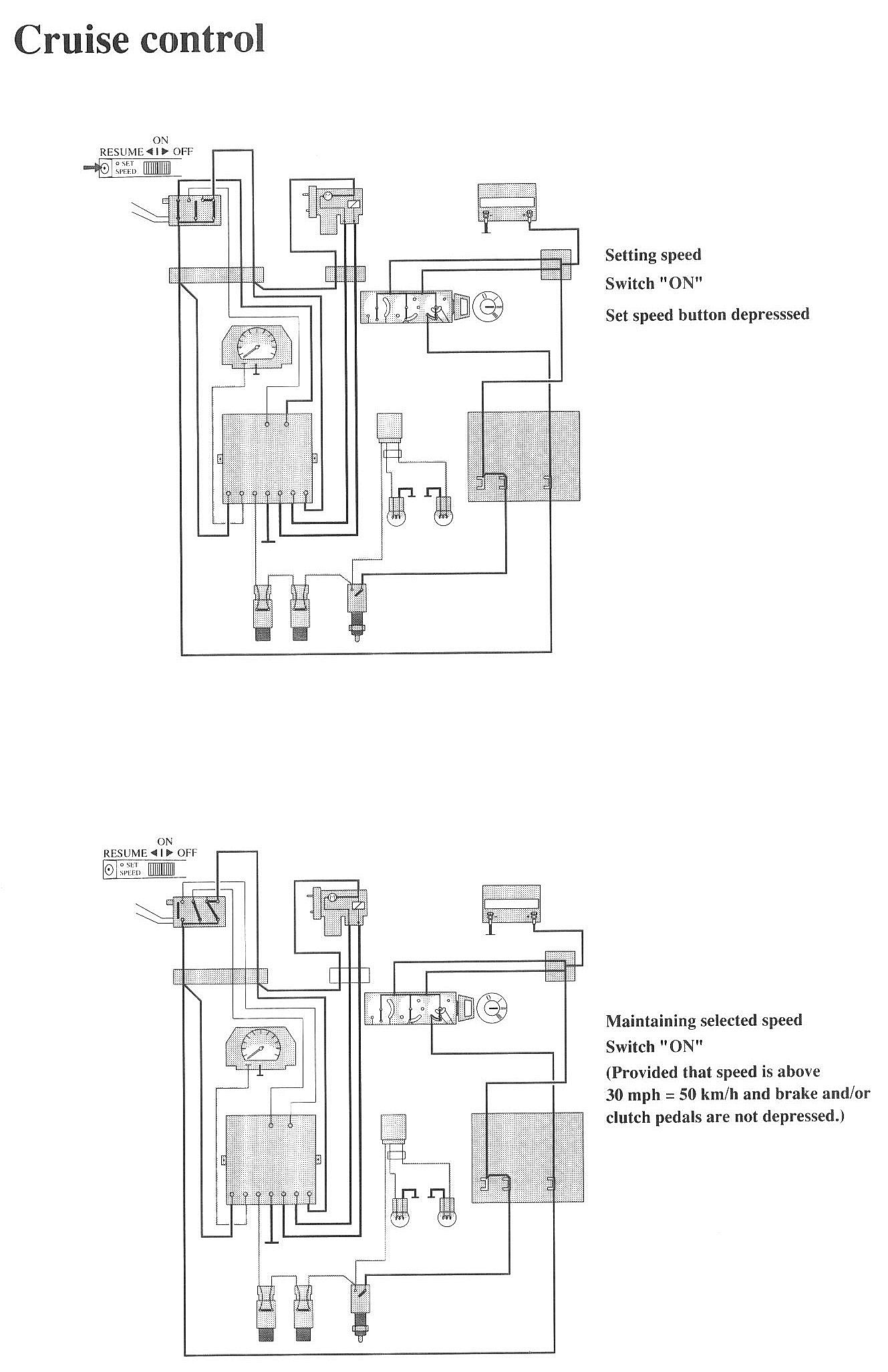
Cruise Control: Locations

Component / Connector Views:




Wiring Diagrams:




Setting / Maintaining Speed:




Braking / Retaining Set Speed:




LEGEND
2 Ignition switch

11 Fusebox
22 Brake light
29 Positive terminal
66 Brake light switch
85 Speedometer

115 Bulb failure warning sensor
225 Switch
226 Control unit
227 Vacuum pump
228 Clutch pedal switch
229 Brake pedal switch

A Connector, left A-post
B Connector at steering wheel