Operation CHARM: Car repair manuals for everyone.
Manuals through 2025 now available!

Our trusted friends have launched a new website named LEMON, which has newer manuals. It also contains all the CHARM manuals.

LEMON is the spiritual successor to CHARM, I recommend you try it!

Link: lemon-manuals.la or lemon-manuals.org.ua

(Some people have issue connecting. LEMON is investigating. For now, use Firefox or change your DNS server)

Or, hide this message: temporarily or permanently

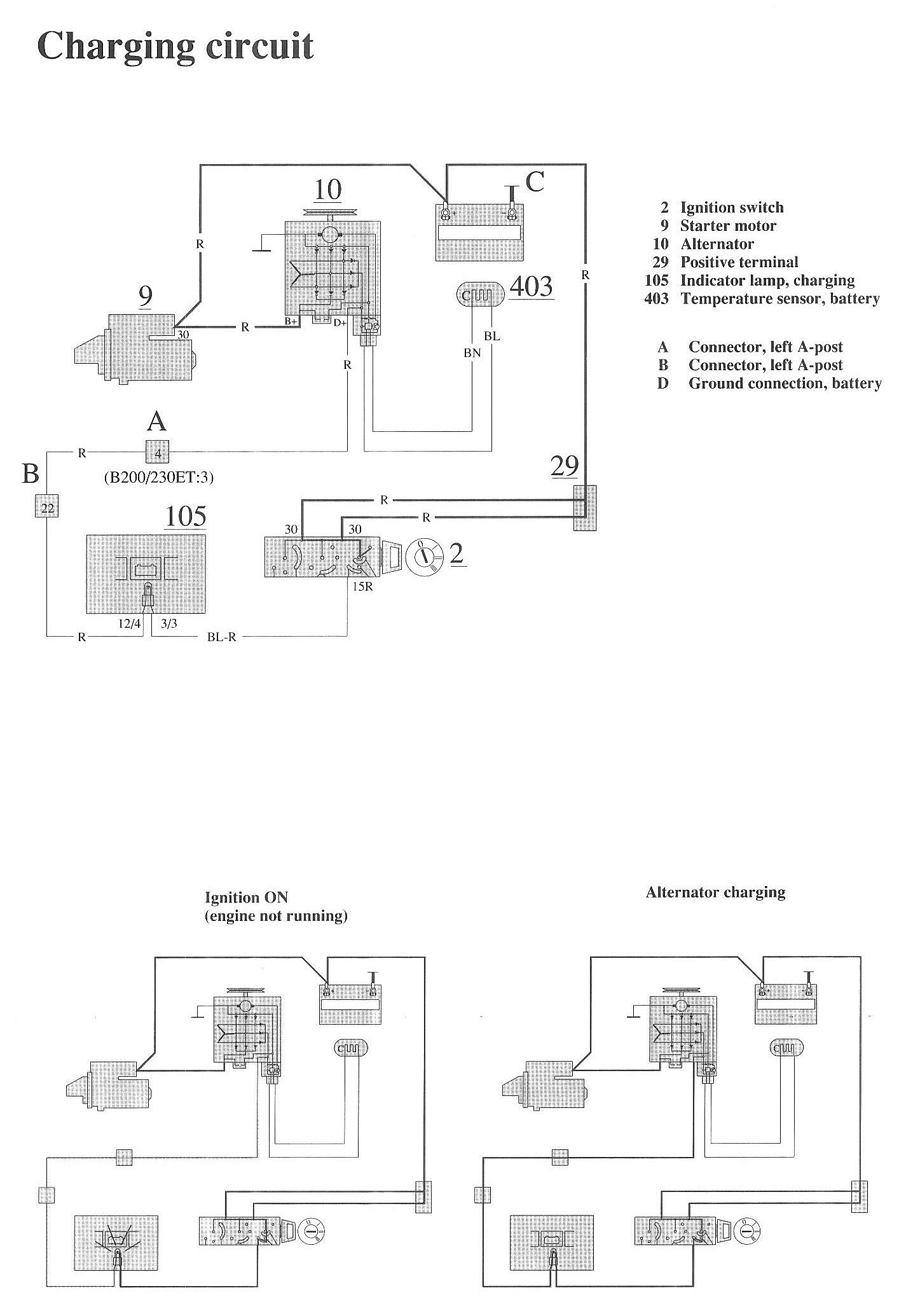
Charging System: Locations

Component / Connector Views:




Wiring Diagrams:




LEGEND
2 Ignition switch
9 Starter motor

10 Alternator
29 Positive terminal

105 Indicator lamp, charging
403 Temperature sensor, battery

A Connector, left A-post
B Connector, left A-post
D Ground connection, battery