System Specifications
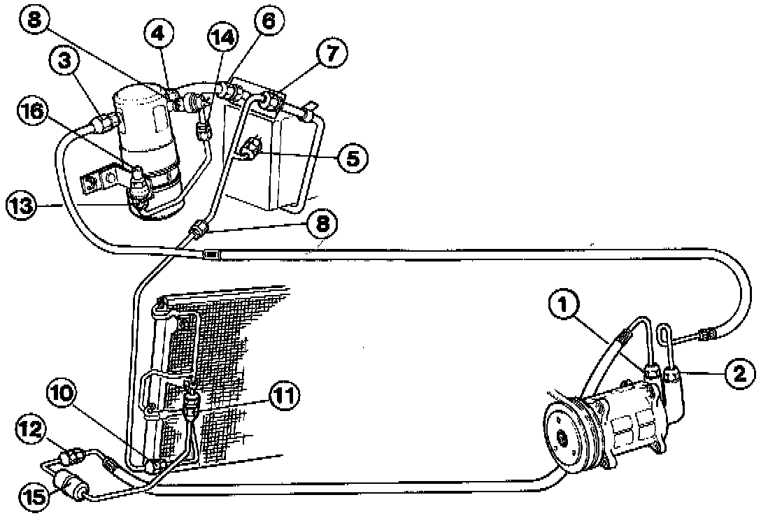
Climate Unit And Pipe Connections, Torques Are In Nm ( ft lb)
1. High-pressure hose connection, from compressor:
- 25 (18.5) Sanden, Seiko-Seiko
- 30 (22) Diesel Kiki/Zexel.
2. Low-pressure hose connection, to compressor - 40 (29.5)
3. From air receiver - 45 (33.2)
4. To air receiver - 45 (33.2)
5. Pressure switch, high-pressure shut-off - 12 (8.9)
6. From evaporator - 30 (22)
7. To evaporator. Expansion tube (orifice) location - 12 (8.9)
8. Union - 12 (8.9)
9. Low-pressure switch, pressostat 3.5 (2.6) (finger-tight)
10. From condenser - 20 (16.2)
11. To condenser - 25 (18.5)
12. Silencer connection to compressor (subsequently replaced by connection pipe) - 18 (13.3)
13. ETF/KRU/SAE valve - 16 (11.8)
14. Connection pipe, EFT/KRU/SAE valve - 16 (11.8)
15. Relief valve - 12(8.9)
16. SAE safety cap (retrofit) - 4 (2.9) (finger-tight)
Other pressure switches - 3.5 (finger-tight)