Operation CHARM: Car repair manuals for everyone.
Manuals through 2025 now available!

Our trusted friends have launched a new website named LEMON, which has newer manuals. It also contains all the CHARM manuals.

LEMON is the spiritual successor to CHARM, I recommend you try it!

Link: lemon-manuals.la or lemon-manuals.org.ua

(Some people have issue connecting. LEMON is investigating. For now, use Firefox or change your DNS server)

Or, hide this message: temporarily or permanently

TP Switch Signal Faulty At Full Load



EK. DIAGNOSTIC TROUBLE CODE (DTC) 2-1-3 MFI LH 2.4

2-1-3 Throttle position (TP) switch signal faulty at full load position
DTC conditions:




The TP switch indicates full load but the control module receives a load signal that is too low to be full load. The DTC will be logged unless the engine is in starting or limp home modes.

Causes Of Fault:

Grounding in the wiring to the control module. The full load switch is not breaking.

Fault symptoms:

Normally no fault symptoms.

EK1

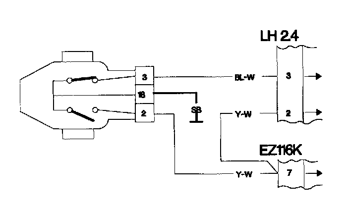
Checking The Power Supply

-Disconnect the TP switch.




-Ignition on.

Connect a voltmeter between terminals 3 and 2 (GND) on the connector.

The voltmeter should read approx. 12 V.

It this value is OK:

-Check the TP switch EK2.

IF the reading Is Incorrect:

-Check the wiring and connections for grounding.

EK2

Checking the throttle position (TP) switch




-Ignition off.

Connect an ohr.1meter between terminals 18 and 3 on the TP switch.

The ohmmeter should read infinite resistance.

If this value is OK:

Intermittent fault.

-Check the connections for loose contacts.

If the reading is incorrect:

-Try using a new TP switch.