Operation CHARM: Car repair manuals for everyone.
Manuals through 2025 now available!

Our trusted friends have launched a new website named LEMON, which has newer manuals. It also contains all the CHARM manuals.

LEMON is the spiritual successor to CHARM, I recommend you try it!

Link: lemon-manuals.la or lemon-manuals.org.ua

(Some people have issue connecting. LEMON is investigating. For now, use Firefox or change your DNS server)

Or, hide this message: temporarily or permanently

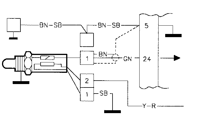
MFI #24 Heated Oxygen Sensor Signal Faulty



TP MFI #24

MFI#24 Heated oxygen sensor (HO2S) signal faulty

Fault Message Conditions:

The fault message is logged if the voltage difference between high and low signals has been less than 0.3 V. for more than 10 seconds.

This measurement is not carried out if engine speed is above 2500 rpm, the idle switch is closed, the fuel is shut off or the engine temperature is under 70°C (158°F).

Causes Of Fault:

Grounding or voltage in the wiring between MFI#24 and HC2S.




Break in the wiring to the HO2S power supply.

Fault symptoms:

High fuel consumption.

NOTE: When checking wiring, the ST should be disconnected. Checking the Wiring

TP1

Monitor Test




-Check the HO2S signal in Monitor Test.

The signal should vary between low signal (<0.2V) and high signal (>0.7 V) about every other second.

If the signal is OK

-Check the connections for loose contacts in accordance with NA5. Checking the Wiring

If the signal is a constant approx. 0 V

-Check the wiring between MFI#24 and HO2S for grounding.

If the signal Is a constant 0.5 V

-Check wiring between HC2S sensor fuse 11 for open circuit in accordance with NA2. Checking the Wiring

If the signal is a constant 1.0 V or over

-Check the wiring between MFI#24 and the HO2S for short circuits in accordance with NA4. Checking the Wiring