Operation CHARM: Car repair manuals for everyone.
Manuals through 2025 now available!

Our trusted friends have launched a new website named LEMON, which has newer manuals. It also contains all the CHARM manuals.

LEMON is the spiritual successor to CHARM, I recommend you try it!

Link: lemon-manuals.la or lemon-manuals.org.ua

(Some people have issue connecting. LEMON is investigating. For now, use Firefox or change your DNS server)

Or, hide this message: temporarily or permanently

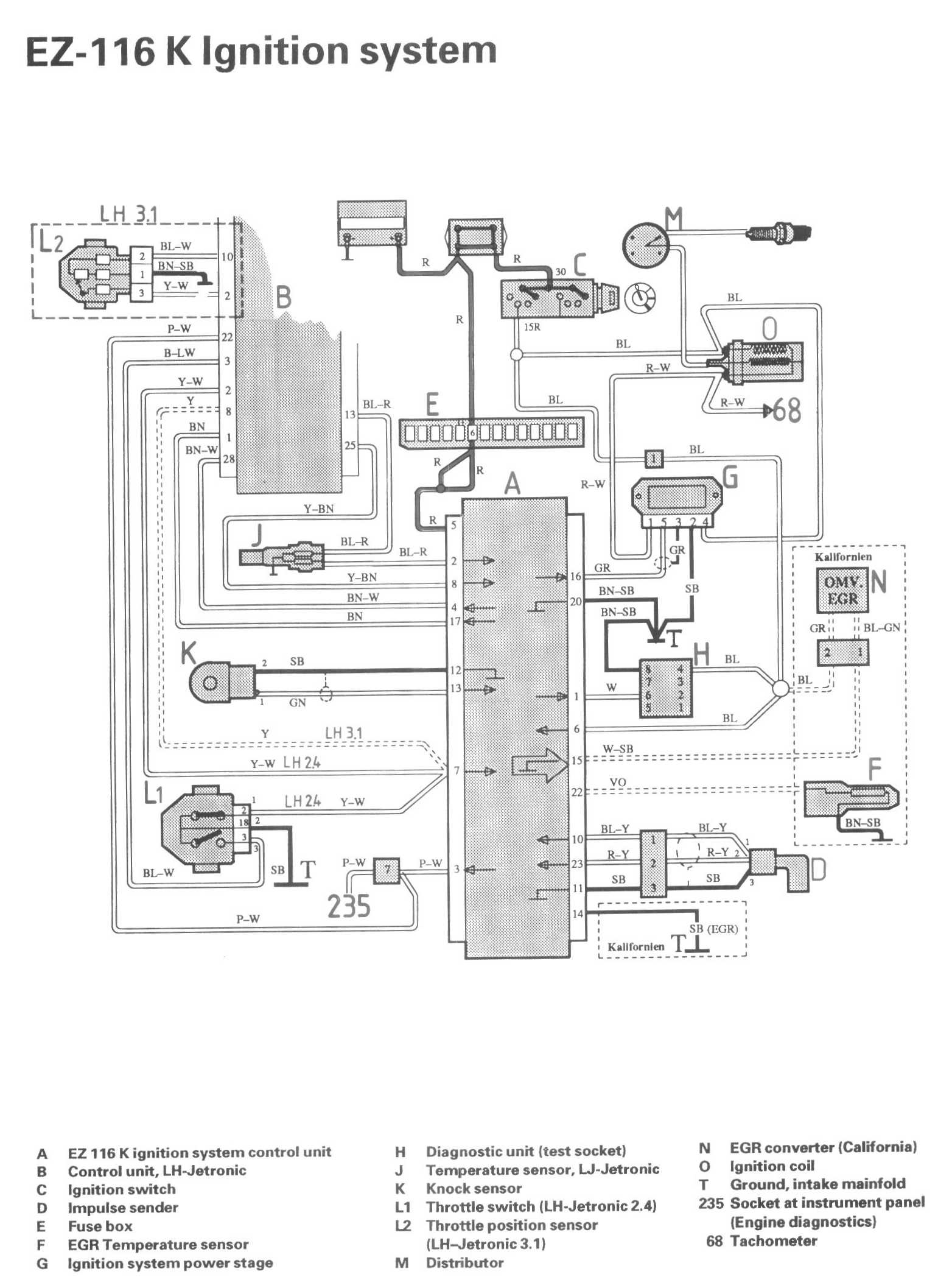
Ignition System







LEGEND
A EZ-116K ignition system control unit
B Control unit. LH-jetronic
C Ignition switch
D Impulse sender
E Fusebox
F EGR Temperature sensor
G Ignition system power stage
H Diagnostic unit (test socket)
J Temperature sensor. LH-Jetronic
K Knock sensor
L1 Throttle switch (LH-Jetronic 2.4)
L2 Throttle position sensor (LH-Jetronic 3.1)
M Distributor
N EGR converter (California)
O Ignition coil
T Ground, intake manifold

235 Socket at instrument panel (Engine diagnostics)

68 Tachometer